Lecture Notes

GATE 2007 Analog Electronics Questions and Solutions

Instructor: Prof. Mithun Mondal Institution: BITS Pilani Subject: Analog Electronics

ANALOG ELECTRONICS GATE 2007 questions and solutions

Question 01

1. GATE EE 2007 Analog Circuits

In the CMOS inverter circuit shown, if the trans conductance parameters of the NMOS and PMOS transistors are \(k_{n}=k_{p}=\mu_{n}C_{ox}\frac{W_{n}}{L_{n}}=\mu_{p}C_{ox}\frac{W_{p}}{L_{p}}=40\,\mathrm{\muA/V^2}\) and their threshold voltages are \(V_{THn}=|V_{THp}|=1\,\mathrm{V}\) the current I is:

gate2007-q1.png
Figure: gate2007-q1.png
  1. \(0\,\mathrm{A}\)
  2. \(25\,\mathrm{\muA}\)
  3. \(45\,\mathrm{\muA}\)
  4. \(90\,\mathrm{\muA}\)

Solution:

\(V_{GS}\) for each MOS is \(2.5\,\mathrm{V}\)
\(V_{T}=1\,\mathrm{V}\), device parameter \(K=40\,\mathrm{\muA/V^2}\)
So, the drain current is:

Equation
\[I_{D}=\frac{K}{2}(V_{GS}-V_{T})^{2}\]
Equation
\[I_{D} = 20(2.5-1)^{2} = 20(1.5)^2 = 20(2.25) = \SI{45}{\micro\ampere}\]
A
Final Answer
Correct answer: C.
Question 02

2. GATE EE 2007 Analog Circuits

In the Op-Amp circuit shown, assume that the diode current follows the equation \(I=I_{s}exp(V/V_{T})\). For \(V_{i}=2\,\mathrm{V}\), \(V_{o}=V_{o1}\) and for \(V_{i}=4\,\mathrm{V}\), \(V_{o}=V_{o2}\). The relationship between \(V_{o1}\) and \(V_{o2}\) is:

gate2007-q2.png
Figure: gate2007-q2.png
  1. \(V_{o2}=\sqrt{2}V_{o1}\)
  2. \(V_{o2}=e^{2}V_{o1}\)
  3. \(V_{o2}=V_{o1}\ln 2\)
  4. \(V_{o1}-V_{o2}=V_{T}\ln 2\)

Solution:

For this log-amplifier circuit, the output voltage \(V_o\) is related to the input voltage \(V_i\) by:

Equation
\[V_{o} = -V_{T}\ln\left(\frac{V_{i}}{R_{1}I_{s}}\right)\]

For \(V_i = 2\,\mathrm{V}\):

Equation
\[V_{o1} = -V_{T}\ln\left(\frac{2}{R_{1}I_{s}}\right)\]

For \(V_i = 4\,\mathrm{V}\):

Equation
\[V_{o2} = -V_{T}\ln\left(\frac{4}{R_{1}I_{s}}\right)\]

Subtracting the two equations:

Equation
\[V_{o1} - V_{o2} = -V_{T}\ln\left(\frac{2}{R_{1}I_{s}}\right) - \left(-V_{T}\ln\left(\frac{4}{R_{1}I_{s}}\right)\right)\]
Equation
\[V_{o1} - V_{o2} = V_{T}\left[ \ln\left(\frac{4}{R_{1}I_{s}}\right) - \ln\left(\frac{2}{R_{1}I_{s}}\right) \right]\]

Using the log rule \(\ln(a) - \ln(b) = \ln(a/b)\):

Equation
\[V_{o1} - V_{o2} = V_{T}\ln\left(\frac{4/(R_{1}I_{s})}{2/(R_{1}I_{s})}\right) = V_{T}\ln\left(\frac{4}{2}\right)\]
Equation
\[V_{o1} - V_{o2} = V_{T}\ln 2\]
A
Final Answer
Correct answer: D.
Question 03

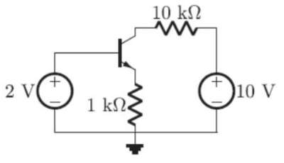
3. GATE EE 2007 Analog Circuits

For the BJT circuit shown, assume that the \(\beta\) of the transistor is very large and \(V_{BE}=0.7\,\mathrm{V}.\) The mode of operation of the BJT is:

gate2007-q3.png
Figure: gate2007-q3.png
  1. cut-off
  2. saturation
  3. normal active
  4. reverse active

Solution:
\centering

Given \(\beta\) is large, we can assume \(I_{B} \approx 0\) and \(I_{E} \approx I_{C}\). 1. Assume the BJT is in the active region. 2. Apply KVL in the Base-Emitter loop:

Equation
\[\SI{2}{\volt} - V_{BE} = I_{E} \cdot (\SI{1}{\kilo\ohm})\]
Equation
\[\SI{2}{\volt} - \SI{0.7}{\volt} = I_{E} \cdot (\SI{1}{\kilo\ohm})\]
Equation
\[\SI{1.3}{\volt} = I_{E} \cdot (\SI{1}{\kilo\ohm})\]
Equation
\[I_{E} = \SI{1.3}{\milli\ampere}\]

Since \(I_C \approx I_E\), \(I_{C(active)} = 1.3\,\mathrm{mA}\). 3. Now, calculate the saturation current (\(I_{C(sat)}\)). This is the maximum possible current, assuming \(V_{CE(sat)} \approx 0.2\,\mathrm{V}\).

Equation
\[I_{C(sat)} = \frac{V_{CC} - V_{CE(sat)}}{R_C + R_E}\]
Equation
\[I_{C(sat)} = \frac{\SI{10}{\volt} - \SI{0.2}{\volt}}{\SI{10}{\kilo\ohm} + \SI{1}{\kilo\ohm}} = \frac{\SI{9.8}{\volt}}{\SI{11}{\kilo\ohm}} \approx \SI{0.89}{\milli\ampere}\]

4. Compare the currents:

Equation
\[I_{C(active)} \approx \SI{1.3}{\milli\ampere}\]
Equation
\[I_{C(sat)} \approx \SI{0.89}{\milli\ampere}\]

Since the calculated active region current (\(I_{C(active)}\)) is greater than the maximum possible saturation current (\(I_{C(sat)}\)), the transistor cannot be in the active region. It is driven into saturation.

A
Final Answer
Correct answer: B.
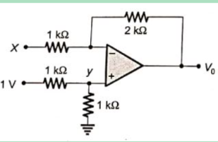
Question 04

4. GATE EE 2007 Analog Circuits

For the Op-Amp circuit shown in the figure, \(V_{0}\) is:

gate2007-q4.png
Figure: gate2007-q4.png
  1. \(-2\,\mathrm{V}\)
  2. \(-1\,\mathrm{V}\)
  3. \(-0.5\,\mathrm{V}\)
  4. \(0.5\,\mathrm{V}\)

Solution:

gate2007-s4.png
Figure: gate2007-s4.png

\textit{Note: There appears to be a typo in the question's diagram. The inputs \(V_i=1.5\,\mathrm{V}\) and \(2\,\mathrm{V}\) lead to an answer (\(V_o=0\,\mathrm{V}\)) that is not in the options. The correct answer (C) is obtained if we assume the inputs were \(V_i=1\,\mathrm{V}\) and the other voltage source was \(1\,\mathrm{V}\).}

Assuming \(V_i = 1\,\mathrm{V}\) and the other source is \(1\,\mathrm{V}\):

1. Find the voltage at the non-inverting terminal (\(V_+\)) using the voltage divider:

Equation
\[V_+ = (\SI{1}{\volt}) \times \frac{\SI{1}{\kilo\ohm}}{\SI{1}{\kilo\ohm} + \SI{1}{\kilo\ohm}} = \SI{1}{\volt} \times 0.5 = \SI{0.5}{\volt}\]

2. Due to the virtual short in an ideal Op-Amp, the inverting terminal voltage \(V_- = V_+ = 0.5\,\mathrm{V}\). 3. Now apply the superposition formula for a difference amplifier (or KCL at \(V_-\) node):

Equation
\[V_o = V_i \left( - \frac{R_f}{R_1} \right) + V_+ \left( 1 + \frac{R_f}{R_1} \right)\]

Here, \(V_i = 1\,\mathrm{V}\), \(V_+ = 0.5\,\mathrm{V}\), \(R_f = 2\,\mathrm{k\Omega}\), \(R_1 = 1\,\mathrm{k\Omega}\).

Equation
\[V_o = (\SI{1}{\volt}) \left( - \frac{\SI{2}{\kilo\ohm}}{\SI{1}{\kilo\ohm}} \right) + (\SI{0.5}{\volt}) \left( 1 + \frac{\SI{2}{\kilo\ohm}}{\SI{1}{\kilo\ohm}} \right)\]
Equation
\[V_o = 1(-2) + 0.5(1 + 2)\]
Equation
\[V_o = -2 + 0.5(3)\]
Equation
\[V_o = -2 + 1.5 = \SI{-0.5}{\volt}\]
A
Final Answer
Correct answer: C.
Question 05

5. GATE EE 2007 Analog Circuits

The DC current gain (\(\beta\)) of a BJT is 50. Assuming that the emitter injection efficiency is 0.995, the base transport factor is:

  1. 0.980
  2. 0.985
  3. 0.990
  4. 0.995

Solution:

gate2007-s5.png
Figure: gate2007-s5.png

The DC current gain \(\beta\) (beta) is related to the common-base current gain \(\alpha\) (alpha) by the formula:

Equation
\[\alpha = \frac{\beta}{\beta + 1}\]

Given \(\beta = 50\):

Equation
\[\alpha = \frac{50}{50 + 1} = \frac{50}{51} \approx 0.98039\]

The common-base current gain \(\alpha\) is also the product of the emitter injection efficiency (\(\gamma\)) and the base transport factor (\(\beta^*\)):

Equation
\[\alpha = \gamma \times \beta^*\]

We are given \(\alpha \approx 0.98039\) and \(\gamma = 0.995\). We can solve for the base transport factor \(\beta^*\):

Equation
\[\beta^* = \frac{\alpha}{\gamma}\]
Equation
\[\beta^* = \frac{0.98039}{0.995} \approx 0.9853\]
A
Final Answer
Correct answer: B.
Question 06

6. GATE EE 2007 Analog Circuits

In a transconductance amplifier, it is desirable to have:

Solution:

gate2007-s6.png
Figure: gate2007-s6.png

A transconductance amplifier converts an input voltage (\(V_{in}\)) to an output current (\(I_{out}\)).

  • \textbf{Input Resistance (\(R_{in}\)):} The amplifier is sensing a voltage. To sense the full voltage from a source without loading it (i.e., without drawing significant current), the input resistance should be as high as possible. An ideal voltage-sensing input has infinite resistance (\(R_{in} \to \infty\)).
  • \textbf{Output Resistance (\(R_{out}\)):} The amplifier is delivering a current. To deliver the full current to a load (and not have it shunted through its own output resistance), the output resistance should be as high as possible. An ideal current source has infinite resistance (\(R_{out} \to \infty\)).

Therefore, it should have a large input resistance and a large output resistance.

A
Final Answer
Correct answer: A.
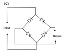
Question 07

7. GATE EE 2007 Analog Circuits

The correct full wave rectifier circuit is:

gate2007-q7.png
Figure: gate2007-q7.png

Solution:

Circuit (C) is a standard bridge rectifier.

  • During the positive half-cycle of the AC source, diodes D1 and D2 are forward-biased, and current flows through the load resistor.
  • During the negative half-cycle, diodes D3 and D4 are forward-biased, and current flows through the load resistor in the same direction.

Circuits (A), (B), and (D) are not configured correctly to achieve full-wave rectification.

A
Final Answer
Correct answer: C.
Question 08

8. GATE EE 2007 Analog Circuits

Consider the Op-Amp circuit shown in the figure. If \(V_{i}=V_{i1}\sin(\omega t)\) and \(V_{0}=V_{o1}\sin(\omega t + \phi)\), then the minimum and maximum values of \(\phi\) (in radians) are respectively:

gate2007-q8.png
Figure: gate2007-q8.png
  1. \(-\frac{\pi}{2}\) and \(\frac{\pi}{2}\)
  2. \(0\) and \(\frac{\pi}{2}\)
  3. \(-\pi\) and \(0\)
  4. \(-\frac{\pi}{2}\) and \(0\)

Solution:

gate2007-s8.png
Figure: gate2007-s8.png

The transfer function \(H(s)\) for this circuit (which is a first-order all-pass filter) is:

Equation
\[H(s) = \frac{V_0(s)}{V_i(s)} = \frac{1-sRC}{1+sRC}\]

To find the phase response, we substitute \(s = j\omega\):

Equation
\[H(j\omega) = \frac{1-j\omega RC}{1+j\omega RC}\]

The phase \(\phi\) is the angle of the numerator minus the angle of the denominator:

Equation
\[\phi = \angle(1-j\omega RC) - \angle(1+j\omega RC)\]

Using the arctangent function for the angle of a complex number (\(A+jB\)):

Equation
\[\phi = \left( \arctan\left(\frac{-\omega RC}{1}\right) \right) - \left( \arctan\left(\frac{+\omega RC}{1}\right) \right)\]

Since \(\arctan(-x) = -\arctan(x)\):

Equation
\[\phi = \left( - \arctan(\omega RC) \right) - \left( \arctan(\omega RC) \right)\]
Equation
\[\phi = -2 \arctan(\omega RC)\]

Now, we find the minimum and maximum values by checking the limits of \(\omega\):

  • Maximum value (as \(\omega \to 0\)): \\ \(\phi = -2 \arctan(0) = -2(0) = 0\) radians.
  • Minimum value (as \(\omega \to \infty\)): \\ \(\phi = -2 \arctan(\infty) = -2 \left( \frac{\pi}{2} \right) = -\pi\) radians.

The phase \(\phi\) ranges from \(-\pi\) to \(0\). The minimum value is \(-\pi\) and the maximum value is \(0\).

A
Final Answer
Correct answer: C.
Question 09

9. GATE EE 2007 Analog Circuits

Consider the Op-Amp circuit shown in the figure. The transfer function \(V_{0}(s)/V_{i}(s)\) is:

gate2007-q9.png
Figure: gate2007-q9.png
  1. \(\frac{1-sRC}{1+sRC}\)
  2. \(\frac{1+sRC}{1-sRC}\)
  3. \(\frac{1}{1-sRC}\)
  4. \(\frac{1}{1+sRC}\)

Solution:

As derived in the previous question, the transfer function for this all-pass filter is found to be:

Equation
\[\frac{V_0(s)}{V_i(s)} = \frac{1-sRC}{1+sRC}\]
A
Final Answer
Correct answer: A.
Question 10

10. GATE EE 2007 Analog Circuits

For the Zener diode shown in the figure, the Zener voltage at knee is 7V, the knee current is negligible and the Zener dynamic resistance is \(10\Omega\). If the input voltage (\(V_i\)) range is from 10 to 16 V, the output voltage (\(V_o\)) ranges from:

gate2007-q10.png
Figure: gate2007-q10.png
  1. 7.00 to 7.29 V
  2. 7.14 to 7.29 V
  3. 7.14 to 7.43 V
  4. 7.29 to 7.43 V

Solution:

gate2007-s10.png
Figure: gate2007-s10.png

We model the Zener diode in its breakdown region as an ideal \(7\,\mathrm{V}\) DC source (\(V_Z\)) in series with its dynamic resistance (\(R_z = 10\,\mathrm{\Omega}\)). The circuit can be analyzed using nodal analysis at the output node \(V_o\). The load is open, so no current flows to the right.

Equation
\[\frac{V_i - V_o}{R} = \frac{V_o - V_Z}{R_z}\]

Where \(R = 200\,\mathrm{\Omega}\).

Equation
\[\frac{V_i - V_o}{\SI{200}{\ohm}} = \frac{V_o - \SI{7}{\volt}}{\SI{10}{\ohm}}\]

Cross-multiply to solve for \(V_o\):

Equation
\[10 (V_i - V_o) = 200 (V_o - 7)\]
Equation
\[10 V_i - 10 V_o = 200 V_o - 1400\]
Equation
\[10 V_i + 1400 = 210 V_o\]
Equation
\[V_o = \frac{10 V_i + 1400}{210} = \frac{V_i + 140}{21}\]

Now, we test the input range:

  • \textbf{If \(V_i = 10\,\mathrm{V}\) (min):}
    Equation
    \[V_o = \frac{10 + 140}{21} = \frac{150}{21} \approx \SI{7.143}{\volt}\]
  • \textbf{If \(V_i = 16\,\mathrm{V}\) (max):}
    Equation
    \[V_o = \frac{16 + 140}{21} = \frac{156}{21} \approx \SI{7.429}{\volt}\]

The output voltage \(V_o\) ranges from \(7.14\,\mathrm{V}\) to \(7.43\,\mathrm{V}\).

A
Final Answer
Correct answer: C.
PreviousNo previous paper
GATE Analog Electronics