Electric Drives · Lecture 3C

Single-Phase Phase-Controlled DC Drives

Phase-Controlled DC Motor Drives

Prof. Mithun Mondal BITS Pilani, Hyderabad Campus Second Semester 2025–2026
SECTION 01

Section 1 — Introduction to Single-Phase Drives

Basic Concept

Single-Phase Phase-Controlled DC Drive

A DC motor drive where the armature circuit is connected to the output of a single-phase controlled rectifier using thyristors (SCRs).

Key Operating Principles:

  • Armature voltage controlled by varying the delay angle $\alpha_a$ of the converter
  • Field current also controlled using a converter with delay angle $\alpha_f$
  • Phase-controlled converters use line-commutated thyristors
  • For improved power factor and reduced harmonics, forced-commutated converters (choppers) can be used

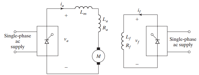
Basic Circuit Arrangement

Basic circuit arrangement of a single-phase DC drive showing armature and field converters, smoothing inductor Lm, and SCR connections
Fig. 1 — Basic circuit arrangement of a single-phase DC drive

Important Components:

  • Smoothing inductor $L_m$ reduces ripple current to acceptable magnitude
  • Separate converters for armature and field circuits
  • Essential at low delay angles and high speeds to prevent discontinuous current
  • Free-wheeling diode (in semiconverter) improves performance

Motor Speed-Torque Relationship

DC Motor Fundamental Equations:

\[V_a = E_b + I_a R_a\]

where $E_b = K_b \phi \omega_m$ is the back EMF.

Speed Equation:

$$\omega_m = \frac{V_a - I_a R_a}{K_b \phi}$$

Torque Equation:

$$T_e = K_t \phi I_a$$

Speed control is achieved by controlling $V_a$ (armature voltage) and $\phi$ (field flux).

SECTION 02

Section 2 — Reversal Techniques

Field and Armature Reversal Methods

Circuit diagram showing field and armature reversals using contactors SW1 and SW2 in both armature and field circuits
Fig. 2 — Field and armature reversals using contactors

Reversal Techniques:

  • Armature reversal: Using contactors SW1 and SW2 in armature circuit
  • Field reversal: Using contactors SW1 and SW2 in field circuit

Safety Considerations

  • Reversal performed at zero armature current to avoid voltage surges
  • Dead time of 2–10 ms provided to ensure zero current
  • Field reversal takes longer due to large time constant ($L_f / R_f$)
  • Only one direction should be reversed at a time
SECTION 03

Section 3 — Types of Single-Phase Drives

Classification of Single-Phase Drives

Single-phase drives can be subdivided into four types:

  1. Single-Phase Half-Wave Converter Drives
    • Armature current normally discontinuous
    • High ripple content
    • Not commonly used in practice
  2. Single-Phase Semiconverter Drives
    • One-quadrant operation
    • Applications up to 15 kW
    • Lower cost, simpler control
  1. Single-Phase Full-Converter Drives
    • Two-quadrant operation
    • Most commonly used
    • Regenerative braking capability
  2. Single-Phase Dual-Converter Drives
    • Four-quadrant operation
    • Maximum flexibility
    • Higher cost and complexity
SECTION 04

Section 4 — Single-Phase Semiconverter Drives

Semiconverter Drive Configuration

Single-phase semiconverter drive circuit showing two thyristors, two diodes, free-wheeling diode, and its first-quadrant operating region
Fig. 3 — Single-phase semiconverter drive circuit and quadrant

Characteristics:

  • One-quadrant drive (forward motoring only)
  • Limited to applications up to 15 kW
  • Two thyristors and two diodes
  • Free-wheeling diode improves performance and reduces ripple
  • Current waveforms for highly inductive load

Semiconverter — Voltage Equations

Average Armature Voltage:

$$V_a = \frac{V_m}{\pi}(1 + \cos \alpha_a) \quad \text{for } 0 \leq \alpha_a \leq \pi$$

where $V_m$ is the peak value of the AC supply voltage.

Average Field Voltage (if semiconverter used):

$$V_f = \frac{V_m}{\pi}(1 + \cos \alpha_f) \quad \text{for } 0 \leq \alpha_f \leq \pi$$

Control Range

  • Delay angle $\alpha_a$ varies from 0 to $\pi$ radians
  • Voltage can be controlled from $\frac{2V_m}{\pi}$ (at $\alpha_a = 0$) to 0 (at $\alpha_a = \pi$)
  • Output voltage is always positive (unidirectional)

Semiconverter — Current Analysis

RMS Armature Current:

For continuous conduction mode:

$$I_{a,\text{rms}} = \sqrt{\frac{1}{2\pi}\int_{\alpha_a}^{\pi + \alpha_a} i_a^2 \, d\omega t}$$

Current Ripple:

  • Peak-to-peak ripple depends on $L_m$, load, and $\alpha_a$
  • Critical inductance to maintain continuous conduction
  • Free-wheeling diode reduces negative voltage period

⚠ Important Note

For discontinuous conduction, analysis becomes more complex and average voltage decreases.

SECTION 05

Section 5 — Single-Phase Full-Converter Drives

Full-Converter Drive Configuration

Single-phase full-converter drive circuit with four thyristors in bridge configuration and its two-quadrant operating region
Fig. 4 — Single-phase full-converter drive circuit and quadrant

Characteristics:

  • Two-quadrant drive (forward motoring and forward braking)
  • Applications up to 15 kW
  • Four thyristors in bridge configuration
  • Armature converter provides $+V_a$ or $-V_a$
  • Operates in first and fourth quadrants

Full-Converter — Voltage Equations

Average Armature Voltage:

$$V_a = \frac{2V_m}{\pi} \cos \alpha_a \quad \text{for } 0 \leq \alpha_a \leq \pi$$

Average Field Voltage (if full-converter used):

$$V_f = \frac{2V_m}{\pi} \cos \alpha_f \quad \text{for } 0 \leq \alpha_f \leq \pi$$

Advantages over Semiconverter

  • Can reverse armature voltage polarity
  • Enables regenerative braking (energy recovery)
  • Full converter in field circuit can reduce field current faster
  • Better control range: $-\frac{2V_m}{\pi}$ to $+\frac{2V_m}{\pi}$
  • Higher efficiency during regeneration

Full-Converter — Quadrant Operation

Operating Modes:

  • First Quadrant (Motoring): $0 \leq \alpha_a < 90°$
    • Positive armature voltage and current
    • Motor runs in forward direction
    • Power flows from supply to motor
  • Fourth Quadrant (Regenerative Braking): $90° < \alpha_a \leq 180°$
    • Negative armature voltage, positive current direction
    • Energy flows back to supply
    • Motor acts as generator
    • Speed decreases while maintaining same direction

⚠ Extending to Four Quadrants

Reversal of armature terminals or field polarity allows operation in second and third quadrants for complete four-quadrant capability.

Full-Converter — Performance Parameters

RMS Supply Current:

$$I_{s,\text{rms}} = I_a \quad \text{(for continuous conduction)}$$

Input Power Factor:

$$\text{PF} = \frac{V_a I_a}{V_{s,\text{rms}} I_{s,\text{rms}}} = \frac{2\sqrt{2}}{\pi}\cos\alpha_a$$

Harmonic Content:

  • Dominant harmonics: 2nd, 4th, 6th in output voltage
  • Supply current harmonics: odd harmonics (3rd, 5th, 7th, etc.)
  • Total Harmonic Distortion (THD) increases with $\alpha_a$
SECTION 06

Section 6 — Single-Phase Dual-Converter Drives

Dual-Converter Drive Configuration

Single-phase dual-converter drive showing two full-wave converters connected in anti-parallel for four-quadrant operation
Fig. 5 — Single-phase dual-converter drive

Configuration:

  • Two single-phase full-wave converters connected in anti-parallel
  • Converter 1: Positive armature voltage $+V_a$
  • Converter 2: Negative armature voltage $-V_a$
  • Only one converter operates at a time
  • Circulating current-free operation

Dual-Converter — Voltage Equations

Converter 1 (Delay angle $\alpha_{a1}$):

$$V_{a1} = \frac{2V_m}{\pi} \cos \alpha_{a1} \quad \text{for } 0 \leq \alpha_{a1} \leq \pi$$

Converter 2 (Delay angle $\alpha_{a2}$):

$$V_{a2} = -\frac{2V_m}{\pi} \cos \alpha_{a2} \quad \text{for } 0 \leq \alpha_{a2} \leq \pi$$

Control Strategy:

$$\alpha_{a2} = \pi - \alpha_{a1}$$

This ensures both converters produce equal and opposite voltages when idle.

Field Voltage (Full converter):

$$V_f = \frac{2V_m}{\pi} \cos \alpha_f \quad \text{for } 0 \leq \alpha_f \leq \pi$$

Dual-Converter — Four-Quadrant Operation

Converter 1 Operation:

  • First quadrant: Forward motoring ($\alpha_{a1} < 90°$)
  • Fourth quadrant: Forward regenerative braking ($\alpha_{a1} > 90°$)

Converter 2 Operation:

  • Second quadrant: Reverse regenerative braking ($\alpha_{a2} > 90°$)
  • Third quadrant: Reverse motoring ($\alpha_{a2} < 90°$)

Applications

  • Four-quadrant drive capability without mechanical contactors
  • Applications up to 15 kW
  • Suitable for applications requiring frequent reversals
  • Examples: Rolling mills, hoists, elevators

Dual-Converter — Mode Transition

Switching Between Converters:

  1. Detect zero current crossing in active converter
  2. Provide dead time (2–10 ms)
  3. Block gate pulses to previous converter
  4. Enable gate pulses to new converter

⚠ Circulating Current Issue

If both converters are fired simultaneously:

  • Large circulating current flows: $i_{\text{circ}} = \frac{V_{a1} - V_{a2}}{R_{\text{eq}}}$
  • Can damage thyristors
  • Requires current-limiting reactor in circulating-current mode
  • Non-circulating mode preferred for lower losses
SECTION 07

Section 7 — Comparison of Drive Types

Comparison of Single-Phase Drive Types

Feature Semiconverter Full-Converter Dual-Converter
Quadrants 1 2 4
Power Range Up to 15 kW Up to 15 kW Up to 15 kW
Thyristors 2 4 8
Voltage Control $\frac{V_m}{\pi}(1+\cos\alpha_a)$ $\frac{2V_m}{\pi}\cos\alpha_a$ $\frac{2V_m}{\pi}\cos\alpha_a$
Regeneration No Yes Yes
Reversal Method Mechanical Field/armature Converter switching
Complexity Low Medium High
Cost Lowest Medium Highest
Power Factor Better Poor at high $\alpha$ Poor at high $\alpha$

Selection Criteria:

  • Simple unidirectional applications: Semiconverter
  • Need for regeneration: Full-converter
  • Frequent reversals without contactors: Dual-converter
SECTION 08

Section 8 — Key Design Considerations

Important Design Considerations

1. Smoothing Inductor Selection:

  • Connected in series with armature circuit
  • Minimum inductance: $L_{m,\min} = \frac{V_m R_a}{2\pi f \Delta I_a}$ (approximate)
  • Reduces ripple current to acceptable magnitude (typically < 10% of rated)
  • Essential at low delay angles to prevent discontinuous current

2. Field Circuit Design:

  • Semi- or full-converter for field control
  • Full converter preferred for faster field current reduction
  • Large time constant ($\tau_f = L_f/R_f$) affects reversal time
  • Field forcing for rapid flux changes

3. Protection and Safety:

  • Zero current detection before reversal
  • Dead time provision (2–10 ms)
  • Overvoltage protection (snubber circuits)
  • Overcurrent protection (fuses, circuit breakers)

Converter Selection for Field Circuit

Semiconverter Option:

  • Lower cost
  • Simpler control
  • Unidirectional power flow
  • Slower field weakening
  • Natural commutation only

Full Converter Option:

  • Higher cost
  • More complex control
  • Bidirectional capability
  • Faster field weakening
  • Can reverse field voltage

Recommendation

Full converter is preferable for the field circuit due to its ability to reverse voltage polarity and reduce field current much faster than a semiconverter, enabling rapid field weakening for field-weakened operation.

Continuous vs. Discontinuous Conduction

Continuous Conduction Mode (CCM):

  • Armature current never reaches zero
  • Occurs when $L_m$ is large or load is heavy
  • Voltage equations derived earlier are valid
  • Better performance, lower ripple

Discontinuous Conduction Mode (DCM):

  • Armature current becomes zero for part of cycle
  • Occurs when $L_m$ is small or load is light
  • Average voltage is higher than CCM for same $\alpha_a$
  • Analysis is more complex
  • Higher current and voltage ripple

⚠ Design Guideline

Design $L_m$ to ensure continuous conduction at minimum expected load.

SECTION 09

Section 9 — Power Quality and Harmonics

Harmonics in Single-Phase Drives

Output Voltage Harmonics:

  • Fundamental frequency: $2f$ (for full-wave converters)
  • Dominant harmonics: $2f$, $4f$, $6f$, etc.
  • Amplitude decreases with harmonic order
  • Smoothing inductor filters high-frequency harmonics

Supply Current Harmonics:

  • Odd harmonics predominate: 3rd, 5th, 7th, 11th, 13th, etc.
  • $n$-th harmonic current: $I_n \approx \frac{I_1}{n}$
  • Total Harmonic Distortion: $\text{THD} = \frac{\sqrt{\sum_{n=2}^{\infty} I_n^2}}{I_1}$
  • Typical THD: 40–80% depending on operating point

Mitigation Techniques

  • AC line filters
  • Multi-pulse converters (for higher power ratings)
  • Active power filters

Power Factor in Phase-Controlled Drives

Displacement Power Factor:

$$\text{DPF} = \cos\phi_1 \approx \cos\alpha_a$$

Distortion Factor:

$$\text{DF} = \frac{I_1}{I_{s,\text{rms}}} = \frac{1}{\sqrt{1 + \text{THD}^2}}$$

Total Power Factor:

$$\text{PF} = \text{DPF} \times \text{DF}$$

⚠ Power Factor Issues

  • Power factor decreases with increasing $\alpha_a$
  • At $\alpha_a = 90°$, DPF = 0, no real power transfer
  • Poor power factor leads to reactive power penalties
  • Capacitor banks may be required for PF correction
SECTION 10

Section 10 — Summary

Key Takeaways

  1. Single-phase phase-controlled drives use thyristor-based controlled rectifiers to vary DC motor armature voltage
  2. Four main types: half-wave (rarely used), semiconverter (1-quadrant), full-converter (2-quadrant), and dual-converter (4-quadrant)
  3. Smoothing inductor $L_m$ is essential to reduce current ripple and maintain continuous conduction
  4. Field or armature reversal required for opposite direction operation
  5. Safety measures include zero current detection and dead time before reversal
  6. Full-converter preferred for field circuit due to faster current reduction capability
  7. Selection depends on quadrant requirements, power level, and application needs
  8. Power quality concerns: harmonics and poor power factor at high delay angles

Voltage Equation Summary

Drive Type Armature Voltage Field Voltage
Semiconverter $V_a = \dfrac{V_m}{\pi}(1+\cos\alpha_a)$ $V_f = \dfrac{V_m}{\pi}(1+\cos\alpha_f)$
Full-converter $V_a = \dfrac{2V_m}{\pi}\cos\alpha_a$ $V_f = \dfrac{2V_m}{\pi}\cos\alpha_f$
Dual-converter $V_a = \pm\dfrac{2V_m}{\pi}\cos\alpha_{a1,2}$ $V_f = \dfrac{2V_m}{\pi}\cos\alpha_f$

All delay angles: $0 \leq \alpha \leq \pi$ radians

Continuous conduction mode assumed

Practical Applications

Typical Applications by Type:

  • Semiconverter Drives:
    • Fans, blowers, pumps
    • Conveyors (unidirectional)
    • Simple machine tools
  • Full-Converter Drives:
    • Machine tools with regenerative braking
    • Printing presses
    • Paper and textile mills
  • Dual-Converter Drives:
    • Reversing rolling mills
    • Mine hoists and elevators
    • Cranes with frequent direction changes