DC Chopper Fundamentals & Analysis

Need for DC Motor Speed Control

Speed Control of DC Motors

Fundamental Speed Equation

\[\omega_m = \frac{V_a - I_a R_a}{K\phi}\] where \(V_a\) is armature voltage, \(I_a\) is armature current, \(R_a\) is armature resistance, \(K\) is machine constant, and \(\phi\) is field flux.

Speed Control Methods:

  • Armature voltage control (\(V_a\))
  • Field flux control (\(\phi\))
  • Armature resistance control (\(R_a\))

Industrial Applications

DC Motor Drives are Essential in:

  • Electric vehicles & traction systems
  • Cranes and hoists
  • Conveyor systems
  • CNC machine tools
  • Battery-powered equipment
  • Renewable energy systems
  • Solar pumping applications
  • MPPT-based drives

Key Requirement

Modern applications demand efficient, precise, and responsive speed control with minimal energy losses.

Classical Speed Control Approaches

Traditional Methods:

  1. Rheostatic (resistance) control

    • Variable resistance in series with armature
    • Simple but inefficient
  2. Motor-Generator (Ward-Leonard) set

    • AC motor drives DC generator
    • Variable voltage output
  3. Phase-controlled rectifiers (SCR)

    • AC to controlled DC conversion
    • Thyristor-based control

Conventional Speed Control Techniques

Rheostatic resistance speed control circuit diagram showing variable resistor in series with DC motor armature
Rheostatic (resistance) speed control
Ward-Leonard Motor-Generator set configuration with AC motor driving DC generator
Ward-Leonard Motor-Generator (M-G) set

Conventional Methods and Limitations

Comparative Analysis of Speed Control Methods

Comparison of DC motor speed control methods
Parameter Rheostatic M-G Set SCR Rectifier Chopper
Efficiency Very poor (\(<50\%\)) Moderate (60–75%) Good (80–90%) Excellent (\(>95\%\))
Response time Fast Slow Moderate Very fast (ms)
Size/Weight Compact Very bulky Compact Compact
Maintenance Minimal High Low Minimal
DC source usable Yes No No Yes
Power factor N/A Good Poor N/A
Harmonics None None Significant Low

Limitations of Classical Methods

Rheostatic Control

Disadvantages:

  • Very poor efficiency (\(<50\%\))
  • Energy wasted as heat in resistors
  • Speed regulation poor under load
  • Limited speed range

Ward-Leonard Set

Disadvantages:

  • Very bulky and heavy
  • High initial cost
  • Slow dynamic response
  • High maintenance (rotating machines)

Phase-Controlled Rectifier

Disadvantages:

  • Poor power factor (especially at low speeds)
  • Significant harmonic content
  • Requires AC source (not suitable for battery/solar)
  • Complex filtering needed

Modern Solution

DC choppers overcome all these limitations with high efficiency, fast response, and DC source compatibility.

Why Chopper Drives?

Motivation for DC Chopper Drives

Modern drive applications demand: high efficiency, fast dynamic response, DC-source compatibility, compact form factor, and low maintenance.
Choppers deliver all five requirements.

Key Advantages

  • Efficiency \(> 95\%\)
  • Fast dynamic response (millisecond range)
  • Compact and lightweight design
  • Compatible with DC sources (batteries, solar panels)
  • Low maintenance (no moving parts)

Application Domains

  • Electric and hybrid vehicles
  • Battery-powered equipment
  • Solar PV pumping systems
  • Traction systems
  • Industrial servo drives

DC Chopper: Operating Principle

What is a DC Chopper?

Definition

A DC chopper is a static power electronic device that converts a fixed-voltage DC source into a variable-voltage DC output through high-frequency switching of a power semiconductor device (MOSFET, IGBT, GTO, etc.).

DC Transformer Analogy

A DC chopper is analogous to an AC transformer with a continuously variable turns ratio, but it operates on DC voltage and achieves step-up or step-down conversion with high efficiency (\(>95\%\)).

Key Principle:

  • Energy transfer through switching (not resistive dissipation)
  • Output voltage controlled by duty cycle
  • No moving parts \(\Rightarrow\) high reliability

Basic Chopper Circuit

Step-down chopper circuit with freewheeling diode D_m showing power switch Q, inductor L_a, and DC motor load
Step-down chopper with freewheeling diode \(D_m\)

Components:

  • \(Q\): Power switch (MOSFET/IGBT)
  • \(D_m\): Freewheeling diode
  • \(L_a\): Armature inductance
  • \(V_s\): DC source voltage

Operation

When \(Q\) is ON: motor connected to source
When \(Q\) is OFF: current freewheels through \(D_m\)

Chopper Operating Modes

Two Switching States:

State 1: Switch ON (\(t_{\text{ON}}\))

  • Current path: \(V_s \to Q \to\) Motor
  • Motor voltage: \(v_a = V_s\)
  • Energy supplied from source
  • Armature current increases

State 2: Switch OFF (\(t_{\text{OFF}}\))

    >
  • Current path: Motor \(\to D_m\)
  • Motor voltage: \(v_a \approx 0\)
  • Energy stored in inductance
  • Armature current decreases

Average Output Voltage

\[V_a = \frac{t_{\text{ON}}}{T} V_s = k \cdot V_s\] where \(k\) is the duty cycle: \(k = \dfrac{t_{\text{ON}}}{T}\), \(0 \le k \le 1\)

Duty Cycle and Voltage Control

Duty Cycle Definition

\[k = \frac{t_{\text{ON}}}{T} = \frac{t_{\text{ON}}}{t_{\text{ON}} + t_{\text{OFF}}}\] where \(T\) is the chopping period and \(f = 1/T\) is the chopping frequency.

Voltage Relationships:

  • \(k = 0\): \(V_a = 0\) (motor stopped)
  • \(k = 0.5\): \(V_a = 0.5 V_s\)
  • \(k = 1\): \(V_a = V_s\) (full speed)

Speed control achieved by varying \(k\) from 0 to 1.

Typical Parameters:

  • Chopping frequency: 1–20 kHz
  • Duty cycle range: 0–100%
  • Linear voltage control
  • Continuous current mode preferred

Step-Down Chopper Analysis

Step-Down (Buck) Chopper: Circuit and Waveforms

Step-down buck chopper circuit topology
Step-down chopper circuit

Characteristics:

  • Also called Buck chopper
  • Output voltage: \(V_a = k V_s\)
  • \(0 \le k \le 1\)
  • Power flow: source \(\to\) load
Voltage and current waveforms for step-down chopper showing PWM switching pattern
Voltage and current waveforms

Applications:

  • DC motor speed control
  • Battery charging
  • Voltage regulators

Step-Down Chopper: Current Analysis

Current Ripple

During ON period (\(0 < t < t_{\text{ON}}\)): \[V_s = E + L_a \frac{di_a}{dt} + i_a R_a\]

During OFF period (\(t_{\text{ON}} < t < T\)): \[0 = E + L_a \frac{di_a}{dt} + i_a R_a\]

Current Ripple Magnitude: \[\Delta I = \frac{V_s - E}{L_a} \cdot t_{\text{ON}} = \frac{E}{L_a} \cdot t_{\text{OFF}}\]

Design Consideration

Higher chopping frequency \(\Rightarrow\) Lower current ripple \(\Rightarrow\) Smoother motor operation

Continuous vs. Discontinuous Conduction

Continuous Conduction Mode (CCM)

  • Current never falls to zero
  • \(I_{\min} > 0\)
  • Better for motor control
  • Requires: \(L_a > L_{\text{critical}}\)

Condition: \[L_a > \frac{(V_s - E) R_a (1-k)}{2 f V_s}\]

Discontinuous Conduction Mode (DCM)

  • Current falls to zero during OFF period
  • \(I_{\min} = 0\)
  • Higher current ripple
  • Occurs at light loads or low \(L_a\)

Effect:

  • Non-linear control
  • Higher torque ripple
  • Generally avoided in motor drives

Average Output Voltage and Current

Average Armature Voltage

\[V_a = \frac{1}{T} \int_0^T v_a(t) \, dt = \frac{1}{T} \left( V_s \cdot t_{\text{ON}} + 0 \cdot t_{\text{OFF}} \right) = k V_s\]

Average Armature Current (Steady State)

\[I_a = \frac{V_a - E}{R_a} = \frac{k V_s - E}{R_a}\] where \(E\) is the back-EMF of the motor.

Power Relationships:

  • Input power: \(P_{\text{in}} = V_s I_s\)
  • Output power: \(P_{\text{out}} = V_a I_a = k V_s I_a\)
  • Efficiency: \(\eta = \dfrac{P_{\text{out}}}{P_{\text{in}}} > 95\%\) (typical)

Step-Up Chopper Analysis

Step-Up (Boost) Chopper: Circuit

Step-up boost chopper circuit topology with inductor and diode configuration
Step-up chopper circuit

Characteristics:

  • Also called Boost chopper
  • Output voltage: \(V_a = \dfrac{V_s}{1-k}\)
  • \(V_a > V_s\) (voltage boost)
  • \(0 \le k < 1\)

Operating Principle:

  • When \(Q\) ON: Energy stored in \(L\)
  • When \(Q\) OFF: \(L\) releases energy
  • Voltage across \(L\) adds to \(V_s\)
  • Diode prevents reverse flow

Application

Used for regenerative braking in DC motor drives

Step-Up Chopper: Voltage Analysis

Voltage Boost Relationship

Average output voltage: \[V_a = \frac{V_s}{1-k}\] where \(k\) is the duty cycle.

Examples:

  • \(k = 0.5\): \(V_a = 2 V_s\) (voltage doubled)
  • \(k = 0.75\): \(V_a = 4 V_s\) (four times boost)
  • \(k \to 1\): \(V_a \to \infty\) (theoretical limit)

Practical Limitation

In practice, \(k\) is limited to 0.8–0.9 due to switching losses and component limitations. Typical boost ratio: 2–5 times.

Step-Up Chopper: Regenerative Braking

Braking Operation:

  • Motor acts as generator
  • Back-EMF \(E > V_s\)
  • Energy returned to source
  • Current flows from motor to source

Power Flow

During regeneration: \[P_{\text{regen}} = E \cdot I_a - I_a^2 R_a\] Energy recovered in battery/capacitor

Applications:

  • Electric vehicles (downhill braking)
  • Cranes (lowering loads)
  • Elevators (descending)
  • Traction systems

Efficiency Benefit

Regenerative braking can recover 60–70% of kinetic energy, significantly improving overall system efficiency.

PWM Control Techniques

Pulse Width Modulation (PWM)

PWM Principle

PWM controls the average output voltage by varying the width of pulses at a fixed frequency. \[V_a = k V_s = \frac{t_{\text{ON}}}{T} V_s\]

PWM generation showing comparison of control signal with carrier waveform
PWM generation

Advantages:

  • Constant switching frequency
  • Linear voltage control
  • Low harmonic content
  • Easy digital implementation
  • Predictable filtering requirements

Parameters:

  • Carrier frequency: \(f_c\) (1–20 kHz)
  • Modulation index: \(m = V_{\text{control}}/V_{\text{carrier}}\)
  • Duty cycle: \(k = m\)
  • Output voltage: \(V_a = m V_s\)

PWM Generation Methods

Analog PWM

  • Compare control signal with triangular carrier
  • Op-amp based comparator
  • Continuous modulation
  • Simple hardware

Control Law: \[k = \frac{V_{\text{control}}}{V_{\text{carrier}}}\]

Digital PWM

  • Microcontroller/DSP based
  • Timer/counter implementation
  • Programmable frequency and duty cycle
  • Flexible and precise

Implementation: \[t_{\text{ON}} = k \cdot T_{\text{PWM}}\] Update \(k\) based on feedback control

Modern Practice

Digital PWM is the industry standard due to flexibility, programmability, and integration with control algorithms.

Frequency vs. Variable Frequency Control

Constant Frequency (PWM)

Features:

  • Fixed period \(T\)
  • Variable \(t_{\text{ON}}\)
  • Duty cycle: \(k = t_{\text{ON}}/T\)

Advantages:

  • Predictable harmonics
  • Easy filtering
  • Linear control
  • Preferred method

Variable Frequency

Features:

  • Fixed \(t_{\text{ON}}\) or \(t_{\text{OFF}}\)
  • Variable period \(T\)
  • Frequency modulation

Disadvantages:

  • Variable harmonics
  • Complex filtering
  • Non-linear control
  • Rarely used in motor drives

PWM Frequency Selection

Trade-offs in Choosing Switching Frequency:

Higher Frequency (>10 kHz)

Advantages:

  • Lower current ripple
  • Smoother torque
  • Smaller filter components
  • Quieter operation (above audible range)

Disadvantages:

  • Higher switching losses
  • Increased EMI
  • More expensive switches

Lower Frequency (1–5 kHz)

Advantages:

  • Lower switching losses
  • Higher efficiency
  • Less EMI
  • Lower cost switches

Disadvantages:

  • Higher current ripple
  • Larger inductors needed
  • Audible noise
  • Greater torque ripple

Typical Range: 2–20 kHz depending on power level and application

Current Ripple and Inductance Design

Current Ripple Analysis

Peak-to-Peak Current Ripple

For a step-down chopper in CCM: \[\Delta I = \frac{V_s - E}{L_a} \cdot t_{\text{ON}} = \frac{V_s (1-k)}{L_a f}\] where \(f = 1/T\) is the switching frequency.

Maximum Ripple Condition:

  • Maximum ripple occurs at \(k = 0.5\) (50% duty cycle)
  • At this point: \(\Delta I_{\max} = \dfrac{V_s}{4 f L_a}\)

Design Implication

Inductance \(L_a\) must be sized for worst-case ripple at \(k = 0.5\) to ensure CCM throughout the operating range.

Minimum Inductance for CCM

Critical Inductance

To ensure continuous conduction mode (CCM) at all duty cycles: \[L_{\min} = \frac{(1-k) R_a}{2f}\] where the maximum value occurs at \(k = 0.5\).

Alternative Design Criterion (Ripple-Based): \[L_a \ge \frac{V_s}{4 f \Delta I_{\max}}\] where \(\Delta I_{\max}\) is the maximum allowable current ripple.

Typical Design Rule:

  • Limit ripple to 10–20% of rated current
  • Example: For \(I_{\text{rated}} = 10\) A, choose \(\Delta I_{\max} = 1\)–2 A
  • Calculate \(L_a\) accordingly

Inductor Design Example

Given Data:

  • Source voltage: \(V_s = 200\) V
  • Switching frequency: \(f = 10\) kHz
  • Rated current: \(I_{\text{rated}} = 20\) A
  • Desired ripple: \(\Delta I_{\max} = 2\) A (10% of rated)

Solution: \[L_{\min} = \frac{V_s}{4 f \Delta I_{\max}} = \frac{200}{4 \times 10{,}000 \times 2} = \frac{200}{80{,}000} = 2.5 \text{ mH}\]

Design Choice:

  • Select standard value: \(L_a = 3\) mH
  • Add 20% safety margin
  • Verify thermal and saturation ratings

Input Filter Design

Need for Input Filtering

Why Input Filters are Required:

Problems Without Filtering

  • Pulsating input current
  • High-frequency ripple
  • EMI to source and other equipment
  • Voltage spikes
  • Source voltage variations

Filter Benefits

  • Smooth DC input current
  • Reduced EMI
  • Protection of source
  • Improved power quality
  • Compliance with EMC standards

Standard Practice

An LC input filter is essential for all chopper drives, especially when powered from batteries or sensitive DC sources.

LC Input Filter Design

LC input filter circuit for DC chopper with inductor L_f and capacitor C_f
LC input filter for chopper

Filter Components:

  • \(L_f\): Series inductor
  • \(C_f\): Shunt capacitor
  • Forms low-pass filter

Design Criteria

Cutoff frequency must be much lower than switching frequency: \[f_c = \frac{1}{2\pi\sqrt{L_f C_f}} \ll f_s\]

Typical Rule: \[f_c \le \frac{f_s}{10}\]

Additional Consideration:

  • Damping resistor may be needed
  • Prevents resonance oscillations

Filter Component Selection

Design Equations

For desired cutoff frequency \(f_c\): \[L_f C_f = \frac{1}{(2\pi f_c)^2}\]

Practical Design Steps:

  1. Choose \(f_c = f_s/10\) to \(f_s/20\)
  2. Select capacitor \(C_f\) based on voltage ripple requirement: \[C_f \ge \frac{I_{\text{rated}}}{2 \pi f_c \Delta V_{\text{ripple}}}\]
  3. Calculate inductor: \(L_f = \dfrac{1}{(2\pi f_c)^2 C_f}\)
  4. Verify inductor current rating \(\ge I_{\text{rated}}\)
  5. Add damping if needed to control resonance

Chopper Drive Classifications

Classification of DC Choppers

Choppers are classified based on quadrant of operation:

DC chopper classification by operating quadrants
Class Configuration Quadrants Application
A Step-down (Buck) Q1 (Forward motoring) Basic speed control
B Step-up (Boost) Q2 (Forward braking) Regenerative braking
C Two-quadrant (A+B) Q1, Q2 Motoring + braking
D Two-quadrant Q1, Q4 Bidirectional current
E Four-quadrant (H-bridge) Q1, Q2, Q3, Q4 Full reversibility
Chopper operation quadrants showing voltage and current relationships in four-quadrant plane
Chopper operation quadrants

Selection Criteria

Choose chopper class based on application requirements: unidirectional vs. bidirectional operation, regenerative braking capability, and reversing requirements.

Class A: Single-Quadrant (Step-Down)

Class A single-quadrant step-down chopper circuit for Q1 operation
Class A chopper (Q1 operation)

Operating Characteristics:

  • Quadrant 1 only (Q1)
  • \(v_a > 0\), \(i_a > 0\)
  • Forward motoring only
  • No braking capability

Voltage Control

\[V_a = k V_s, \quad 0 \le k \le 1\] where \(k\) is the duty cycle.

Applications:

  • Simple DC motor drives
  • Fan speed control
  • Pump drives
  • Unidirectional conveyors

Limitation: Cannot provide braking; motor coasts to stop when power is removed.

Class B: Single-Quadrant (Step-Up)

Class B single-quadrant step-up chopper circuit for Q2 regenerative braking operation
Class B chopper (Q2 operation)

Operating Characteristics:

  • Quadrant 2 only (Q2)
  • \(v_a > 0\), \(i_a < 0\)
  • Regenerative braking only
  • Power flows: motor \(\to\) source

Voltage Boost

\[V_a = \frac{V_s}{1-k}, \quad k < 1\] Back-EMF \(E > V_s\) required for regeneration.

Applications:

  • Regenerative braking systems
  • Energy recovery in EVs
  • Hoist lowering operations
  • Downhill traction

Note: Always used in combination with Class A for complete drive functionality.

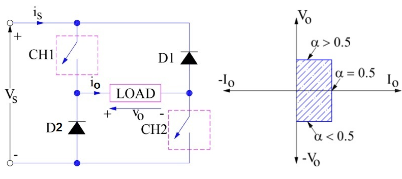
Class C: Two-Quadrant (Forward Direction)

Class C two-quadrant chopper circuit combining Q1 motoring and Q2 braking
Class C chopper (Q1 & Q2)

Structure:

  • Combines Class A (\(Q_1\), \(D_1\)) and Class B (\(Q_2\), \(D_2\))
  • Two power switches
  • Bidirectional current capability

Operating Modes

Motoring (Q1): \(Q_1\) modulated, \(Q_2\) OFF \[V_a = k V_s\]

Braking (Q2): \(Q_2\) modulated, \(Q_1\) OFF \[V_a = \frac{V_s}{1-k}\]

Applications:

  • Electric vehicles
  • Traction systems
  • Hoist drives

Class D: Two-Quadrant Chopper

Class D two-quadrant chopper circuit with voltage polarity reversal capability
Class D two-quadrant chopper

Operating Quadrants:

  • Q1: Forward motoring (\(v_a > 0\), \(i_a > 0\))
  • Q4: Reverse braking (\(v_a < 0\), \(i_a > 0\))

Voltage Reversal Capability

  • Can reverse voltage polarity
  • Current remains positive
  • Enables field weakening
  • Useful for special applications

Control Strategy:

  • \(Q_1\) ON: \(v_a = +V_s\)
  • \(Q_4\) ON: \(v_a = -V_s\)
  • PWM modulation of \(Q_1\) and \(Q_4\)

Application: Specialized drives requiring voltage polarity reversal.

Class D: Operating Modes

Mode 1: Forward Operation (\(\alpha > 0.5\))

  • Switch \(Q_1\) ON for time \(t_a\)
  • Switch \(Q_4\) ON for time \(T_p - t_a\)
  • Average voltage:

\[\bar{v}_a = \frac{2t_a - T_p}{T_p} V_s\]

For \(t_a > T_p/2\): \(\bar{v}_a > 0\) (motoring)

Duty cycle: \(\alpha = t_a/T_p\)

Mode 2: Reverse Operation (\(\alpha < 0.5\))

  • Same switching pattern
  • Different average voltage polarity

For \(t_a < T_p/2\): \(\bar{v}_a < 0\) (braking)

Transition Point

At \(\alpha = 0.5\) (i.e., \(t_a = T_p/2\)): \[\bar{v}_a = 0\] Current continues to flow, but average voltage is zero.

Class D: Voltage Gain

Converter Voltage Gain

The rate of change of average output voltage with respect to ON-time: \[k_v = \left|\frac{d\bar{v}_a}{dt_a}\right| = \frac{2V_s}{T_p} \quad [\text{V/s}]\]

Operating Regions:

  • \(\alpha > 0.5\): \(\bar{v}_a > 0\)
    • Power flow: source \(\to\) load
    • Motoring operation
  • \(\alpha = 0.5\): \(\bar{v}_a = 0\)
    • Zero average voltage
    • Current can be non-zero
  • \(\alpha < 0.5\): \(\bar{v}_a < 0\)
    • Power flow: load \(\to\) source
    • Braking operation

Note

Current direction remains positive in both modes; only average voltage (and power flow) reverses.

Class E: Four-Quadrant Chopper Drive

Class E: Four-Quadrant H-Bridge Drive

Class E four-quadrant H-bridge chopper circuit with four switches and anti-parallel diodes
Class E four-quadrant H-bridge chopper
Four-quadrant voltage and current polarities for motoring and braking in both directions
Four-quadrant polarities

Structure:

  • H-bridge configuration
  • Four switches: \(Q_1\)\(Q_4\)
  • Four anti-parallel diodes: \(D_1\)\(D_4\)
Four-quadrant operation voltage and current relationships
Quadrant \(v_L\) \(i_L\)
Q1 (Fwd motoring) \(+\) \(+\)
Q2 (Fwd braking) \(+\) \(-\)
Q3 (Rev motoring) \(-\) \(-\)
Q4 (Rev braking) \(-\) \(+\)

Class E: Operating Configurations

Configuration Flexibility:

  • \(Q_4\) ON continuously \(\Rightarrow\) Class C behavior
    • \(Q_1\), \(Q_2\) modulate for motoring/braking
  • \(Q_1\) ON continuously \(\Rightarrow\) Class D behavior
    • \(Q_3\), \(Q_4\) modulate for voltage reversal

Unified Topology

Class E subsumes Classes C and D by appropriate switching strategies. It is the most general and versatile topology.

Safety Constraints:

  • \(Q_1\) and \(Q_2\) must never be ON simultaneously
    • Causes shoot-through (short circuit)
  • \(Q_3\) and \(Q_4\) must never be ON simultaneously
    • Causes shoot-through
  • Dead-time insertion: typically 1–5 \(\mu\)s
    • Ensures safe commutation
    • Prevents overlap

Class E: Full Drive Flexibility

Complete Quadrant Coverage

Class E provides access to all four quadrants, enabling:

  • Forward and reverse motoring
  • Regenerative braking in both directions
  • Seamless transitions between modes

Applications Requiring Four-Quadrant Operation:

  • Reversible machine tools and CNC equipment
  • Servo drives with bidirectional positioning
  • Electric vehicle traction (forward/reverse with regeneration)
  • Elevator drives (up/down with energy recovery)
  • Rolling mill drives
  • Test stands and dynamometers

Control Complexity

Four-quadrant operation requires sophisticated control algorithms to manage transitions and ensure stability across all operating modes.

Power Semiconductor Devices

Power Switching Devices for Choppers

Comparison of power semiconductor devices for DC chopper applications
Device Power Range Freq. Range Commutation Typical Use
MOSFET \(< 10\) kW 20–100 kHz Self-commutated Low-power, high-freq
IGBT 10–500 kW 5–20 kHz Self-commutated Industrial standard
GTO 100–5000 kW 1–5 kHz Self-commutated High-power traction
Thyristor (SCR) \(> 500\) kW \(< 1\) kHz Forced commutation Legacy/very high power

Selection Criteria:

  • Power level of application
  • Required switching frequency
  • Voltage and current ratings
  • Gate drive complexity
  • Cost and availability

Self vs. Forced Commutation

Self-Commutated Devices

Examples: MOSFET, IGBT, GTO

Characteristics:

  • Turn ON and OFF controlled by gate signal
  • No auxiliary circuit needed for turn-off
  • Fast switching capability
  • Simpler drive circuits
  • Higher reliability

Status:

  • Preferred for all modern drives
  • Dominant in industrial applications

Forced-Commutated Devices

Example: Thyristor (SCR)

Characteristics:

  • Gate controls only turn-ON
  • External circuit required for turn-off
  • Complex commutation circuits
  • Adds cost and components
  • Lower switching frequency

Status:

  • Legacy technology
  • Limited to very high power (\(>500\) kW)
  • Being phased out

IGBT: Industry Standard for Choppers

Why IGBT?

IGBT (Insulated Gate Bipolar Transistor) is the dominant device for industrial DC chopper drives in the 10–500 kW power range.

IGBT Advantages:

  • High voltage capability (up to 6.5 kV)
  • High current capability (up to 3600 A)
  • Moderate switching frequency (5–20 kHz)
  • Low on-state voltage drop
  • Simple gate drive (voltage-controlled)
  • Excellent safe operating area (SOA)
  • Good thermal characteristics

Comparison with Alternatives:

  • vs. MOSFET: Higher power capability
  • vs. GTO: Simpler gate drive, higher frequency
  • vs. SCR: Self-commutated, no turn-off circuit

Typical Ratings:

  • Voltage: 600 V to 6.5 kV
  • Current: 10 A to 3600 A
  • Switching frequency: 1–20 kHz

Summary

Summary: Motivation and Core Relations

Why Choppers?

Classical Methods Limitations:

  • Rheostatic: Poor efficiency (\(<50\%\))
  • M-G set: Bulky, slow, expensive
  • SCR rectifier: Poor PF, AC source required

Chopper Advantages:

  • Efficiency \(> 95\%\)
  • Fast response (ms range)
  • Compact, lightweight
  • DC-source compatible

Core Relations

Step-down: \[V_a = k V_s, \quad 0 \le k \le 1\]

Step-up: \[V_a = \frac{V_s}{1-k}, \quad k < 1\]

Max ripple (at \(k=0.5\)): \[\Delta I_{\max} = \frac{V_s}{4fL_a}\]

Min inductance: \[L_{\min} = \frac{V_s}{4f\,\Delta I_{\max}}\]

Summary: Drive Classes and Devices

Chopper Classes

  • Class A: Step-down, Q1 motoring
  • Class B: Step-up, Q2 braking
  • Class C: Q1+Q2, motoring/braking (EV, traction)
  • Class D: Two-quadrant (Q1+Q4), voltage reversal
  • Class E: Four-quadrant H-bridge, fully reversible

Control & Devices

PWM Control:

  • Constant frequency preferred
  • Variable duty cycle: \(k = V_{\text{cr}}/V_r\)
  • Linear voltage control

Key Design Points:

  • Higher \(f_s\) \(\Rightarrow\) lower ripple, higher loss
  • Input LC filter essential
  • IGBT: standard for 10–500 kW drives