Electric Drives · Lecture 4A

Three-Phase Half-Wave Controlled Rectifiers

Chopper-Controlled DC Motor Drives

Prof. Mithun Mondal BITS Pilani, Hyderabad Campus
SECTION 01

Introduction

Need for Three-Phase Rectifiers

Limitations of Single-Phase Rectifiers

  • High ripple content in output voltage

  • Significant voltage variation with firing angle

  • Higher harmonic content requiring extensive filtering

  • Limited power handling capability

  • Poor power quality and low transformer utilization

Solution

Three-phase controlled rectifiers offer superior performance for medium to high power applications

Advantages of Three-Phase Controlled Rectifiers

Three-phase rectifiers provide:

Electrical Benefits:

  • Significantly reduced ripple voltage

  • Lower harmonic amplitude

  • Smoother DC output

  • Improved power factor

System Benefits:

  • Better transformer utilization

  • Higher power capability (\(>10 \, \mathrm{kW}\))

  • Reduced filter requirements

  • Cost-effective for industry

Ideal for high-power industrial applications

Industrial Applications

Motor Drives & Traction:

  • DC motor speed control

  • Variable speed drives

  • Railway traction systems

Power Systems:

  • HVDC transmission

  • Battery charging stations

Industrial Processes:

  • Electroplating

  • Electrolysis

  • Welding equipment

  • Manufacturing drives

Power Range

Typically \(>10 \, \mathrm{kW}\), extending to MW levels

Classification of Three-Phase Rectifiers

Classification of three-phase controlled rectifiers
Classification of three-phase controlled rectifiers

Classification Categories

By Configuration:

  • Half-wave (3-pulse, M-3)

  • Full-wave (6-pulse, M-6)

By Control Devices:

  • Fully controlled (all thyristors)

  • Semi-controlled (thyristors + diodes)

By Pulse Number:

  • 3-pulse converter

  • 6-pulse converter

  • 12-pulse converter

Key Principle

Higher pulse number \(\Rightarrow\) Lower ripple and better performance

SECTION 02

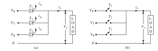
Three-Phase Half-Wave Controlled Rectifier

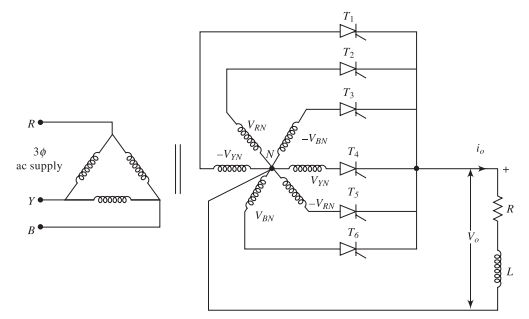
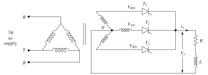
Circuit Configuration

Key Components:

  • Three thyristors: \(T_1\), \(T_2\), \(T_3\)

  • Three-phase transformer

    • Delta-connected primary

    • Star-connected secondary

  • Common neutral point N

  • Load between output and neutral

Designation: 3-phase, 3-pulse converter (M-3)

Three-phase half-wave controlled rectifier
Three-phase half-wave controlled rectifier

Three-Phase Voltage System

Balanced three-phase voltages:

\[\begin{aligned} v_{RN}(t) &= V_m\sin(\omega t) \\ v_{YN}(t) &= V_m\sin\left(\omega t - \frac{2\pi}{3}\right) = V_m\sin(\omega t - 120^\circ) \\ v_{BN}(t) &= V_m\sin\left(\omega t - \frac{4\pi}{3}\right) = V_m\sin(\omega t - 240^\circ) \end{aligned}\]

Parameters:

  • \(V_m = \sqrt{2}V_{\text{ph}}\) – peak phase voltage

  • \(V_{\text{ph}}\) – RMS phase voltage

  • \(\omega = 2\pi f\) – angular frequency (rad/s)

  • Phase displacement: \(120^\circ\) or \(2\pi/3\) rad

Principle of Operation

Operating Principle:

  • At any instant, the thyristor connected to the most positive phase is forward biased

  • When triggered, a thyristor conducts and connects its phase to the load

  • Natural commutation occurs when the next thyristor is fired

  • Load voltage follows the envelope of the most positive phase voltage

Operating Parameters

  • Firing sequence: \(T_1 \to T_2 \to T_3 \to T_1\) (repeats)

  • Firing interval: \(120^\circ\) between consecutive gate pulses

  • Conduction angle: \(120^\circ\) per thyristor (when \(\alpha \leq 30^\circ\))

Natural Commutation

Natural Commutation:

  • Occurs when incoming phase voltage exceeds conducting phase voltage

  • Conducting thyristor turns off automatically

  • Line commutation – no external circuit needed

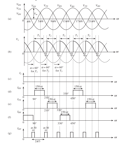
Commutation Points at \(\alpha = 0^\circ\):

  • \(T_1 \to T_2\): \(\omega t = 150^\circ\)

  • \(T_2 \to T_3\): \(\omega t = 270^\circ\)

  • \(T_3 \to T_1\): \(\omega t = 30^\circ\)

Thyristor conduction and commutation
Thyristor conduction and commutation
SECTION 03

Operation with Resistive Load

Operating Modes with Resistive Load

  1. Continuous Conduction Mode (CCM)

    • Condition: \(0^\circ \leq \alpha \leq 30^\circ\)

    • Each thyristor conducts for full \(120^\circ\)

    • Output voltage always positive

    • No gaps between conduction periods

  2. Discontinuous Conduction Mode (DCM)

    • Condition: \(\alpha > 30^\circ\)

    • Conduction angle \(< 120^\circ\)

    • Output voltage periodically zero

    • Gaps appear between thyristor conductions

Continuous Conduction Mode Waveforms

\(\alpha = 0^\circ\)
\(\alpha = 0^\circ\)
\(\alpha = 30^\circ\)
\(\alpha = 30^\circ\)

Features:

  • Three output pulses per AC cycle

  • Ripple frequency: \(3f\)

  • Each thyristor: \(120^\circ\) conduction

Discontinuous Conduction Mode Waveforms

Characteristics:

  • Conduction angle: \((150^\circ - \alpha)\)

  • Non-conduction period: \((\alpha - 30^\circ)\)

  • Discontinuous pulses with zero periods

DCM waveforms at \(\alpha = 60^\circ\)
DCM waveforms at \(\alpha = 60^\circ\)

Average DC Output Voltage

Continuous Conduction Mode (\(\alpha \leq 30^\circ\)):

\[\begin{aligned} V_{\text{dc}} &= \frac{3}{2\pi}\int_{\pi/6+\alpha}^{5\pi/6+\alpha} V_m\sin\theta \, d\theta \\[0.3cm] &= \frac{3V_m}{2\pi}\left[-\cos\theta\right]_{\pi/6+\alpha}^{5\pi/6+\alpha} \\[0.3cm] &= \frac{3\sqrt{3}}{2\pi}V_m\cos\alpha \end{aligned}\]

Key Results

  • \(\boxed{V_{\text{dc}} = 0.827\,V_m\cos\alpha}\)

  • At \(\alpha = 0^\circ\): \(V_{\text{dc(max)}} = 0.827\,V_m = 1.17\,V_{\text{ph}}\)

Discontinuous Mode (\(\alpha > 30^\circ\)):

\[\boxed{V_{\text{dc}} = \frac{3\sqrt{3}}{2\pi}V_m\left[1 + \cos(30^\circ + \alpha)\right]}\]

RMS Output Voltage

Continuous Conduction Mode (\(\alpha \leq 30^\circ\)):

\[V_{\text{rms}} = V_m\sqrt{\frac{3}{2\pi}\left[\frac{\pi}{3} + \frac{\sqrt{3}}{4}\cos 2\alpha\right]}\]

Discontinuous Conduction Mode (\(\alpha > 30^\circ\)):

\[V_{\text{rms}} = V_m\sqrt{\frac{3}{2\pi}\left[\frac{5\pi}{6} - \alpha + \frac{1}{2}\sin(30^\circ + 2\alpha)\right]}\]

Important

Both \(V_{\text{dc}}\) and \(V_{\text{rms}}\) decrease as firing angle \(\alpha\) increases

Performance Parameters

Form Factor:

\[FF = \frac{V_{\text{rms}}}{V_{\text{dc}}}\]

Ripple Factor:

\[RF = \sqrt{FF^2 - 1} = \sqrt{\left(\frac{V_{\text{rms}}}{V_{\text{dc}}}\right)^2 - 1}\]

Average Load Current (resistive load):

\[I_{\text{dc}} = \frac{V_{\text{dc}}}{R}\]

DC Output Power:

\[P_{\text{dc}} = V_{\text{dc}} \cdot I_{\text{dc}} = \frac{V_{\text{dc}}^2}{R}\]

Rectification Efficiency:

\[\eta = \frac{P_{\text{dc}}}{P_{\text{ac}}} \times 100\%\]

Thyristor Current Ratings

For continuous conduction mode with resistive load:

Current Parameters

Average Thyristor Current:

\[I_{T(\text{avg})} = \frac{I_{\text{dc}}}{3}\]

RMS Thyristor Current:

\[I_{T(\text{rms})} = \frac{I_{\text{dc}}}{\sqrt{3}}\]

Peak Thyristor Current:

\[I_{T(\text{peak})} = \frac{V_m}{R}\]

Conduction Period: \(120^\circ\) or \(2\pi/3\) rad per thyristor

SECTION 04

Operation with RL Load

Three-Phase Half-Wave with RL Load

Key Differences:

  • Inductance maintains continuous current flow

  • Load current cannot change instantaneously

  • Higher firing angles possible (up to \(150^\circ\))

  • Enables inverter mode (\(\alpha > 90^\circ\))

  • \(120^\circ\) conduction over wide \(\alpha\) range

Rectifier with RL load
Rectifier with RL load

Operating Ranges with RL Load

Range 1: \(0^\circ \leq \alpha \leq 30^\circ\)

  • Continuous conduction naturally maintained

  • Similar to resistive load behavior

Range 2: \(30^\circ < \alpha < 90^\circ\) (Rectifier Mode)

  • Modified rectifier operation

  • Output has negative portions, but \(V_{\text{dc}} > 0\)

  • Inductance maintains current continuity

Range 3: \(90^\circ < \alpha < 150^\circ\) (Inverter Mode)

  • Average voltage negative: \(V_{\text{dc}} < 0\)

  • Power flows from DC to AC supply

  • Requires DC voltage source (e.g., back EMF)

Waveforms for RL Load: \(\alpha = 60^\circ\)

Observations:

  • Each thyristor: \(120^\circ\) conduction

  • Output voltage contains negative portions

  • Current remains continuous

  • Average voltage:

    \[V_{\text{dc}} = 0.414\,V_m~\text{ (positive)}\]
RL load waveforms
RL load waveforms

Rectifier Mode: \(\alpha < 90^\circ\)

Characteristics:

  • Average output voltage positive: \(V_{\text{dc}} > 0\)

  • Power flows from AC supply to DC load

  • Energy delivered to the load

Average Output Voltage

\[\boxed{V_{\text{dc}} = \frac{3\sqrt{3}}{2\pi}V_m\cos\alpha = 0.827\,V_m\cos\alpha}\]

Boundary Condition at \(\alpha = 90^\circ\):

\[V_{\text{dc}} = 0.827\,V_m\cos 90^\circ = 0\]
This represents the transition between rectifier and inverter modes.

Inverter Mode: \(90^\circ < \alpha < 150^\circ\)

Characteristics:

  • Average voltage negative: \(V_{\text{dc}} < 0\)

  • Power flows DC to AC (regeneration)

  • Requires DC voltage source

  • Used for regenerative braking

\[V_{\text{dc}} = 0.827\,V_m\cos\alpha < 0 ~ \text{for}~\alpha > 90^\circ\]
Inverter mode: \(\alpha = 120^\circ\)
Inverter mode: \(\alpha = 120^\circ\)

Voltage and Current Relations with RL Load

For highly inductive load (continuous current):

Average Output Voltage:

\[V_{\text{dc}} = 0.827\,V_m\cos\alpha\]

Average Load Current (with back EMF \(E\)):

\[I_{\text{dc}} = \frac{V_{\text{dc}} - E}{R}\]

For Pure Inductive Load (\(R \approx 0\))

  • Voltage equation: \(V_{\text{dc}} = E\)

  • Required firing angle: \(\alpha = \cos^{-1}\left(\dfrac{E}{0.827\,V_m}\right)\)

  • Conduction: \(120^\circ\) per thyristor when \(\alpha \leq 150^\circ\)

SECTION 05

Circuit Improvements

Delta-Zigzag Transformer Connection

Problem

DC component flows through transformer secondary:

  • Causes core saturation

  • DC magnetization

  • Reduced efficiency

  • Increased losses

Delta-zigzag transformer
Delta-zigzag transformer

Delta-Zigzag Transformer – Working Principle

Construction:

  • Each secondary phase has two half-windings

  • Half-windings wound on different transformer legs

  • Connected in zigzag (interconnected-star) configuration

DC Component Cancellation:

  • Each half-winding carries \(I_{\text{dc}}/3\) DC current

  • Currents flow in opposite directions

  • Magnetic fluxes cancel each other

  • Net DC magnetization becomes zero

  • Prevents core saturation

Benefits

Improved transformer performance, efficiency, and reliability

Free-Wheeling Diode Configuration

Purpose of FWD:

  • Prevents negative output voltage

  • Alternative path for inductive current

  • Improves average voltage

  • Reduces PIV on thyristors

  • Improves load current waveform

Converter with FWD
Converter with FWD

Operation with Free-Wheeling Diode

Operation (\(\alpha > 30^\circ\)):

  • FWD conducts when output tends negative

  • Thyristor conduction: \((150^\circ - \alpha)\)

  • FWD conduction: \((\alpha - 30^\circ)\) per cycle

  • Output clamped at zero

  • Current freewheels through FWD

Output with FWD: \(\alpha = 60^\circ\)
Output with FWD: \(\alpha = 60^\circ\)

Output Voltage with Free-Wheeling Diode

Average DC Voltage (with FWD)

\[\boxed{V_{\text{dc}} = \frac{3\sqrt{3}}{2\pi}V_m\left[1 + \cos(30^\circ + \alpha)\right]}\]

Note: Identical to discontinuous mode with resistive load

Current Ratings with FWD:

Average Thyristor Current:

\[I_{T(\text{avg})} = I_{\text{dc}}\left[\frac{5\pi/6 - \alpha}{2\pi}\right]\]

Average FWD Current:

\[I_{\text{FWD(avg)}} = I_{\text{dc}}\left[\frac{\alpha - \pi/6}{2\pi}\right]\]
SECTION 06

Six-Pulse Half-Wave Converter

Six-Pulse Half-Wave Converter Circuit

Configuration:

  • Six-phase star secondary

  • Six thyristors (one per phase)

  • Phase displacement: \(60^\circ\)

  • Designated M-6 converter

Six-phase half-wave rectifier
Six-phase half-wave rectifier

Advantages of Six-Pulse Converter

Compared to 3-pulse:

Advantages:

  • Six pulses per cycle

  • Lower ripple (\(f_r = 6f\))

  • Reduced filter requirements

  • Better TUF

  • Lower harmonic distortion

  • Easier commutation

Disadvantages:

  • Requires six-phase transformer

  • More complex construction

  • Higher number of thyristors

  • Increased cost

Six-Phase Voltage System

Six-phase voltages with \(60^\circ\) phase displacement
Six-phase voltages with \(60^\circ\) phase displacement

Phase Voltages (double-star configuration):

\[\begin{aligned} v_1 &= V_m\sin(\omega t) \\ v_2 &= V_m\sin(\omega t - 60^\circ) \\ v_3 &= V_m\sin(\omega t - 120^\circ) \end{aligned}\]
\[\begin{aligned} v_4 &= -v_1 \\ v_5 &= -v_2 \\ v_6 &= -v_3 \end{aligned}\]

Principle of Operation

Operating Characteristics:

  • Each thyristor conducts for \(60^\circ\) (\(\pi/3\) rad)

  • Firing sequence: \(T_1 \to T_2 \to T_3 \to T_4 \to T_5 \to T_6 \to T_1\)

  • Firing interval: \(60^\circ\) between consecutive gate pulses

  • Output follows most positive phase voltage

  • Natural commutation every \(60^\circ\)

Output voltage waveforms at \(\alpha = 30^\circ\) and \(\alpha = 60^\circ\)
Output voltage waveforms at \(\alpha = 30^\circ\) and \(\alpha = 60^\circ\)

Output Voltage Equations

Average DC Output Voltage:

\[\begin{aligned} V_{\text{dc}} &= \frac{6}{2\pi}\int_{\pi/6+\alpha}^{\pi/3+\alpha} V_m\sin\theta \, d\theta \\[0.3cm] &= \frac{3}{\pi}V_m\cos\alpha \end{aligned}\]

Key Result

\(\boxed{V_{\text{dc}} = 0.955\,V_m\cos\alpha}\) At \(\alpha = 0^\circ\): \(V_{\text{dc(max)}} = 0.955\,V_m = 1.35\,V_{\text{ph}}\)

RMS Output Voltage: \(V_{\text{rms}} = V_m\sqrt{\frac{1}{2\pi}\left[\frac{\pi}{6} + \frac{1}{2}\sin 60^\circ + \frac{1}{2}\sin 2\alpha\right]}\)

Ripple Frequency: \(f_{\text{ripple}} = 6f\) (300 Hz for 50 Hz supply)

Operating Modes of Six-Pulse Converter

With Resistive Load:

Continuous Conduction Mode

\(0^\circ \leq \alpha \leq 60^\circ\)

  • Each thyristor conducts for full \(60^\circ\)

  • No gaps in output voltage waveform

Discontinuous Conduction Mode

\(60^\circ < \alpha \leq 120^\circ\)

  • Conduction angle less than \(60^\circ\)

  • Gaps appear in output voltage

With RL Load: Continuous conduction maintained up to \(\alpha = 90^\circ\)

Thyristor Current Ratings

For continuous conduction with six-pulse converter:

Current Parameters

Average Thyristor Current: \(I_{T(\text{avg})} = \frac{I_{\text{dc}}}{6}\)

RMS Thyristor Current: \(I_{T(\text{rms})} = \frac{I_{\text{dc}}}{\sqrt{6}} = 0.408\,I_{\text{dc}}\)

Peak Inverse Voltage: \(\text{PIV} = 2V_m\)

Conduction Period: \(60^\circ\) or \(\pi/3\) rad per thyristor

Performance Comparison: 3-Pulse vs 6-Pulse

Comparison of 3-pulse and 6-pulse converters
Parameter 3-Pulse (M-3) 6-Pulse (M-6)
Number of thyristors 3 6
Conduction angle \(120^\circ\) \(60^\circ\)
Output pulses per cycle 3 6
Ripple frequency \(3f\) \(6f\)
\(V_{\text{dc}}\) at \(\alpha=0^\circ\) \(0.827\,V_m\) \(0.955\,V_m\)
\(I_{T(\text{avg})}\) \(I_{\text{dc}}/3\) \(I_{\text{dc}}/6\)
\(I_{T(\text{rms})}\) \(I_{\text{dc}}/\sqrt{3}\) \(I_{\text{dc}}/\sqrt{6}\)
Ripple factor Higher Lower
Filter size Larger Smaller

6-pulse provides superior performance with lower ripple

SECTION 07

Generalized m-Phase Converter

Generalized m-Phase Half-Wave Converter

Concept:

  • Extension of 3-pulse and 6-pulse converters

  • \(m\)-phase star-connected secondary winding

  • \(m\) thyristors (one per phase)

  • Phase displacement: \(360^\circ/m\)

General Characteristics

  • Each thyristor conducts: \(360^\circ/m\) or \(2\pi/m\) rad

  • Output pulses per cycle: \(m\)

  • Higher \(m\) \(\Rightarrow\) Smoother output and lower ripple

  • Ripple frequency: \(m \times f\)

Average Output Voltage – General Formula

For \(m\)-phase half-wave converter

\(\boxed{V_{\text{dc}} = \frac{m}{2\pi}V_m\sin\left(\frac{\pi}{m}\right)\cos\alpha}\)

Verification for specific cases:

  • \(m = 3\): \(V_{\text{dc}} = \dfrac{3}{2\pi}V_m\sin 60^\circ \cos\alpha = 0.827\,V_m\cos\alpha \quad \checkmark\)

  • \(m = 6\): \(V_{\text{dc}} = \dfrac{6}{2\pi}V_m\sin 30^\circ \cos\alpha = 0.955\,V_m\cos\alpha \quad \checkmark\)

  • \(m = 12\): \(V_{\text{dc}} = \dfrac{12}{2\pi}V_m\sin 15^\circ \cos\alpha = 0.988\,V_m\cos\alpha \quad \checkmark\)

RMS Output Voltage – General Formula

General expression for \(m\)-phase converter:

\(V_{\text{rms}} = V_m\sqrt{\frac{1}{2\pi}\left[\frac{\pi}{m} + \frac{1}{2}\sin\left(\frac{2\pi}{m}\right)\cos 2\alpha\right]}\)

Key Observations:

  • As \(m\) increases, \(V_{\text{rms}}\) approaches \(V_m\)

  • Ripple content decreases with increasing \(m\)

  • Form factor approaches unity for large \(m\)

  • Better power quality with higher pulse numbers

Current Ratings – General Formulas

For \(m\)-phase half-wave converter:

Current Parameters

Average Thyristor Current: \(I_{T(\text{avg})} = \frac{I_{\text{dc}}}{m}\)

RMS Thyristor Current: \(I_{T(\text{rms})} = \frac{I_{\text{dc}}}{\sqrt{m}}\)

Peak Thyristor Current: \(I_{T(\text{peak})} = \frac{V_m}{R}\)

Conduction Angle per Thyristor: \(\theta_c = \frac{2\pi}{m} \text{ rad} = \frac{360^\circ}{m}\)

Effect of Pulse Number on Performance

Performance metrics vs. pulse number
Pulse No. (\(m\)) 3 6 12 24
\(V_{\text{dc}}/V_m\) at \(\alpha=0^\circ\) 0.827 0.955 0.988 0.997
Ripple frequency \(3f\) \(6f\) \(12f\) \(24f\)
Conduction angle \(120^\circ\) \(60^\circ\) \(30^\circ\) \(15^\circ\)
Filter size Large Medium Small Very Small
Relative ripple High Medium Low Very Low
Complexity Low Medium High Very High

Trade-off

Higher pulse number provides better performance but increases system complexity and cost

Selection Criteria for Pulse Number

3-pulse converter:

  • Simple, low-cost applications

  • Low to medium power (\(<\) 10 kW)

6-pulse converter:

  • Most common for industry

  • Medium power (10–100 kW)

  • Good balance: performance vs. cost

12-pulse converter:

  • High power applications

  • HVDC transmission

  • Strict harmonic requirements

24-pulse converter:

  • Special applications

  • Very low harmonics required

SECTION 08

Summary and Comparison

Comprehensive Comparison

Complete comparison of multi-phase converters
Parameter 3-pulse 6-pulse \(m\)-pulse
Number of thyristors 3 6 \(m\)
Output pulses/cycle 3 6 \(m\)
Ripple frequency \(3f\) \(6f\) \(mf\)
Conduction angle \(120^\circ\) \(60^\circ\) \(360^\circ/m\)
\(V_{\text{dc}}\) at \(\alpha=0^\circ\) \(0.827\,V_m\) \(0.955\,V_m\) \(\frac{m}{2\pi}V_m\sin\frac{\pi}{m}\)
\(I_{T(\text{avg})}\) \(I_{\text{dc}}/3\) \(I_{\text{dc}}/6\) \(I_{\text{dc}}/m\)
\(I_{T(\text{rms})}\) \(I_{\text{dc}}/\sqrt{3}\) \(I_{\text{dc}}/\sqrt{6}\) \(I_{\text{dc}}/\sqrt{m}\)
Filter requirement Large Medium Small
Transformer Simple Center-tap Complex
Cost Low Medium High

Key Performance Metrics Comparison

Performance at \(\alpha = 0^\circ\)
Parameter 3-pulse 6-pulse
Avg. output voltage \(1.17\,V_{\text{ph}}\) \(1.35\,V_{\text{ph}}\)
Form factor \(\approx 1.016\) \(\approx 1.001\)
Ripple factor \(\approx 0.18\) (18%) \(\approx 0.04\) (4%)
Ripple frequency 150 Hz @ 50 Hz 300 Hz @ 50 Hz
Conduction/thyristor \(120^\circ\) \(60^\circ\)

6-pulse: 4% ripple vs. 3-pulse: 18% ripple

Effect of Firing Angle on Output Voltage

Voltage-Angle Characteristic: \(V_{\text{dc}} = K\,V_m\cos\alpha\) where \(K = 0.827\) (3-pulse), \(K = 0.955\) (6-pulse)

Key Observations:

  • All converters follow \(\cos\alpha\) characteristic

  • Higher pulse \(\Rightarrow\) higher output voltage

  • Maximum voltage at \(\alpha = 0^\circ\)

  • Zero voltage at \(\alpha = 90^\circ\) (boundary)

  • Negative voltage (inverter) for \(\alpha > 90^\circ\) with RL load

  • Practical range: \(0^\circ \leq \alpha \leq 150^\circ\)

Advantages and Disadvantages

Advantages:

  • Simple topology

  • Natural commutation

  • Lower component count

  • Lower voltage stress

  • Bidirectional power flow

  • Cost-effective

Disadvantages:

  • DC component in transformer

  • Higher ripple vs. full-wave

  • Larger filter requirements

  • Unidirectional current

  • Limited to lower power

Industrial Applications

Three-Phase (3-pulse):

  • Battery charging systems

  • Electroplating processes

  • Simple DC power supplies

  • Low power DC motor drives
    ( \(<\) 10 kW)

Six-Phase (6-pulse):

  • Industrial DC motor drives
    (10–100 kW)

  • Controlled rectification

  • Better power quality needs

  • Medium power DC supplies

Note

For high power applications (\(>\) 100 kW), full-wave converters are generally preferred

Harmonics and Power Quality

Output Voltage Harmonics:

  • Dominant frequency: \(mf\) (where \(m\) is pulse number)

  • Harmonic orders: \(m, 2m, 3m, 4m, \ldots\)

  • Amplitude decreases with harmonic order

For 3-pulse: Harmonics at \(3f, 6f, 9f, 12f, \ldots\)
For 6-pulse: Harmonics at \(6f, 12f, 18f, 24f, \ldots\)

Input Current Harmonics:

  • Non-sinusoidal current from AC supply

  • Contains DC component (star secondary)

  • Triplen harmonics present (3rd, 9th, 15th)

  • Power factor decreases with increasing \(\alpha\)

  • Significant Total Harmonic Distortion (THD)

Transformer Considerations

1. DC Magnetization:

  • DC current flows through secondary windings

  • Causes core saturation and increased magnetizing current

  • Reduced efficiency and increased losses

  • Solution: Delta-zigzag transformer connection

2. Transformer Utilization Factor (TUF):

  • Lower than full-wave converters

  • Each secondary winding partially utilized

3. Rating Requirements:

  • Must handle DC component and harmonics

  • Voltage rating based on peak phase voltage

  • Current rating based on load and harmonic content

Key Takeaways

  1. Half-wave converters use one thyristor per phase

  2. Firing angle \(\alpha\) controls average output: \(V_{\text{dc}} \propto \cos\alpha\)

  3. Higher pulse number \(\Rightarrow\) smoother output, lower ripple

  4. Inductance maintains current continuity in RL loads

  5. Delta-zigzag transformer eliminates DC magnetization

  6. Free-wheeling diode prevents negative output voltage

  7. Ripple frequency = (pulse number) \(\times\) supply frequency

  8. Trade-off: performance vs. complexity/cost

  9. Natural commutation simplifies control