GATE EE Solved Problems

GATE 2021 Electrical Engineering (EE) Power Electronics (2021)

Solved problems

Author: Prof. Mithun Mondal Subject: Power Electronics Year: 2021 Total Questions: 4
Section 01

0-Mark Questions

QQuestion 1 0 Mark

The waveform shown in solid line is obtained by clipping a full-wave rectified sinusoid (shown dashed). The ratio of the RMS value of the full-wave rectified waveform to the RMS value of the clipped waveform is \_\_\_\_\_\_\_\_. (Round off to 2 decimal places.)

Figure 1.1
Figure 1.1

SSolution

Given:

  • Full-wave rectified sinusoid (dashed): \(v(t) = V_m|\sin(\omega t)|\)
  • Clipped waveform (solid): Flat-topped at \(0.707V_m\) from \(\omega t = \pi/4\) to \(3\pi/4\)
  • Find: Ratio of RMS values = \(\frac{V_{rms,full}}{V_{rms,clipped}}\)

Solution:

Step 1: RMS value of full-wave rectified sinusoid

For a full-wave rectified sinusoid over one complete cycle:

\[V_{rms,full} = \sqrt{\frac{1}{\pi}\int_0^{\pi} V_m^2\sin^2(\omega t) d(\omega t)}\]

Using the identity \(\sin^2(x) = \frac{1 - \cos(2x)}{2}\):

\[V_{rms,full} = \sqrt{\frac{V_m^2}{\pi}\int_0^{\pi} \frac{1 - \cos(2\omega t)}{2} d(\omega t)}\]
\[V_{rms,full} = \sqrt{\frac{V_m^2}{\pi} \cdot \frac{\pi}{2}} = \sqrt{\frac{V_m^2}{2}} = \frac{V_m}{\sqrt{2}}\]

Therefore:

\[V_{rms,full} = 0.707V_m\]

Step 2: RMS value of clipped waveform

The clipped waveform has three regions in the half-cycle \([0, \pi]\):

  • Region 1: \([0, \pi/4]\) - Rising sinusoid: \(v = V_m\sin(\omega t)\)
  • Region 2: \([\pi/4, 3\pi/4]\) - Flat top: \(v = 0.707V_m\)
  • Region 3: \([3\pi/4, \pi]\) - Falling sinusoid: \(v = V_m\sin(\omega t)\)
\[V_{rms,clipped}^2 = \frac{1}{\pi}\left[\int_0^{\pi/4} V_m^2\sin^2(\omega t) d(\omega t) + \int_{\pi/4}^{3\pi/4} (0.707V_m)^2 d(\omega t) + \int_{3\pi/4}^{\pi} V_m^2\sin^2(\omega t) d(\omega t)\right]\]

Region 1 \& 3 (by symmetry):

\[\int_0^{\pi/4} \sin^2(\omega t) d(\omega t) = \int_0^{\pi/4} \frac{1 - \cos(2\omega t)}{2} d(\omega t)\]
\[= \frac{1}{2}\left[\omega t - \frac{\sin(2\omega t)}{2}\right]_0^{\pi/4} = \frac{1}{2}\left[\frac{\pi}{4} - \frac{\sin(\pi/2)}{2}\right] = \frac{1}{2}\left[\frac{\pi}{4} - \frac{1}{2}\right]\]
\[= \frac{\pi}{8} - \frac{1}{4}\]

Both regions contribute: \(2\left(\frac{\pi}{8} - \frac{1}{4}\right) = \frac{\pi}{4} - \frac{1}{2}\)

Region 2:

\[\int_{\pi/4}^{3\pi/4} (0.707V_m)^2 d(\omega t) = (0.707V_m)^2 \cdot \frac{\pi}{2} = 0.5V_m^2 \cdot \frac{\pi}{2} = \frac{\pi V_m^2}{4}\]

Total:

\[V_{rms,clipped}^2 = \frac{1}{\pi}\left[V_m^2\left(\frac{\pi}{4} - \frac{1}{2}\right) + \frac{\pi V_m^2}{4}\right]\]
\[= \frac{V_m^2}{\pi}\left[\frac{\pi}{4} - \frac{1}{2} + \frac{\pi}{4}\right] = \frac{V_m^2}{\pi}\left[\frac{\pi}{2} - \frac{1}{2}\right]\]
\[= V_m^2\left[\frac{1}{2} - \frac{1}{2\pi}\right] = V_m^2\left[\frac{\pi - 1}{2\pi}\right]\]
\[V_{rms,clipped} = V_m\sqrt{\frac{\pi - 1}{2\pi}}\]

Step 3: Calculate the ratio

\[\frac{V_{rms,full}}{V_{rms,clipped}} = \frac{\frac{V_m}{\sqrt{2}}}{V_m\sqrt{\frac{\pi - 1}{2\pi}}}\]
\[= \frac{1}{\sqrt{2}} \cdot \sqrt{\frac{2\pi}{\pi - 1}} = \sqrt{\frac{\pi}{\pi - 1}}\]
\[= \sqrt{\frac{\pi}{\pi - 1}} = \sqrt{\frac{3.14159}{3.14159 - 1}} = \sqrt{\frac{3.14159}{2.14159}}\]
\[= \sqrt{1.4668} = 1.2111\]

Verification:

\[\frac{\pi}{\pi-1} = \frac{3.14159}{2.14159} = 1.4668\]

QQuestion 2 0 Mark

Consider the boost converter shown. Switch Q is operating at 25 kHz with a duty cycle of 0.6. Assume the diode and switch to be ideal. Under steady-state condition, the average resistance \(R_{in}\) as seen by the source is \_\_\_\_\_\_\_\_ \(\Omega\). (Round off to 2 decimal places.)

Figure 2.1
Figure 2.1

SSolution

Given:

  • Input voltage: \(V_s = 15\) V
  • Inductance: \(L = 1\) mH
  • Capacitance: \(C = 100\) μF
  • Load resistance: \(R = 10\) \(\Omega\)
  • Switching frequency: \(f = 25\) kHz
  • Duty cycle: \(D = 0.6\)
  • Ideal switch and diode
  • Find: Average input resistance \(R_{in}\)

Solution:

Step 1: Output voltage of boost converter

For a boost converter in continuous conduction mode (CCM):

\[V_o = \frac{V_s}{1 - D}\]
\[V_o = \frac{15}{1 - 0.6} = \frac{15}{0.4} = 37.5 \text{ V}\]

Step 2: Output current

\[I_o = \frac{V_o}{R} = \frac{37.5}{10} = 3.75 \text{ A}\]

Step 3: Average input current

For an ideal boost converter, power in equals power out:

\[P_{in} = P_{out}\]
\[V_s \cdot I_{in} = V_o \cdot I_o\]
\[I_{in} = \frac{V_o \cdot I_o}{V_s} = \frac{37.5 \times 3.75}{15} = \frac{140.625}{15} = 9.375 \text{ A}\]

Alternatively, using the relationship:

\[I_{in} = \frac{I_o}{1 - D} = \frac{3.75}{0.4} = 9.375 \text{ A}\]

Step 4: Input resistance

The average input resistance as seen by the source:

\[R_{in} = \frac{V_s}{I_{in}} = \frac{15}{9.375} = 1.6 \text{ } \Omega\]

Alternative approach using converter relationships:

For a boost converter:

\[R_{in} = R(1 - D)^2\]
\[R_{in} = 10 \times (1 - 0.6)^2 = 10 \times (0.4)^2 = 10 \times 0.16 = 1.6 \text{ } \Omega\]

Verification:

Check power balance:

  • Input power: \(P_{in} = V_s \times I_{in} = 15 \times 9.375 = 140.625\) W
  • Output power: \(P_{out} = \frac{V_o^2}{R} = \frac{37.5^2}{10} = \frac{1406.25}{10} = 140.625\) W ✓

Check resistance:

QQuestion 3 0 Mark

Consider the buck-boost converter shown. Switch Q is operating at 25 kHz and 0.75 duty-cycle. Assume diode and switch to be ideal. Under steady-state condition, the average current flowing through the inductor is \_\_\_\_\_\_\_\_ A. (Round off to 2 decimal places.)

Figure 3.1
Figure 3.1

SSolution

Given:

  • Input voltage: \(V_{in} = 20\) V
  • Inductance: \(L = 1\) mH
  • Capacitance: \(C = 100\) μF
  • Load resistance: \(R = 10\) \(\Omega\)
  • Switching frequency: \(f = 25\) kHz
  • Duty cycle: \(D = 0.75\)
  • Ideal switch and diode
  • Find: Average inductor current \(I_L\)

Solution:

Step 1: Output voltage of buck-boost converter

For a buck-boost converter in continuous conduction mode:

\[V_o = V_{in} \cdot \frac{D}{1 - D}\]
\[V_o = 20 \times \frac{0.75}{1 - 0.75} = 20 \times \frac{0.75}{0.25} = 20 \times 3 = 60 \text{ V}\]

Note: The output voltage is negative with respect to ground in an inverting buck-boost, but we use magnitude for calculations.

Step 2: Output current

\[I_o = \frac{V_o}{R} = \frac{60}{10} = 6 \text{ A}\]

Step 3: Average inductor current

In a buck-boost converter, the inductor current relationship is:

During ON state (\(DT\)): Inductor connected to input, charges During OFF state (\((1-D)T\)): Inductor discharges through diode to output

The average inductor current can be found using:

\[I_L = I_o \cdot \frac{1}{1 - D}\]
\[I_L = 6 \times \frac{1}{1 - 0.75} = 6 \times \frac{1}{0.25} = 6 \times 4 = 24 \text{ A}\]

Alternative verification using power balance:

For ideal converter:

\[P_{in} = P_{out}\]

Average input current:

\[I_{in} = \frac{I_L \times D}{1} = I_L \times D\]

Power balance:

\[V_{in} \times I_{in} = V_o \times I_o\]
\[20 \times (I_L \times 0.75) = 60 \times 6\]
\[15 \times I_L = 360\]
\[I_L = 24 \text{ A}\]

Step 4: Verification using current relationships

In buck-boost converter:

  • When switch ON: \(I_L\) flows from source through switch
  • When switch OFF: \(I_L\) flows through diode to load
  • Average input current: \(\langle I_{in} \rangle = D \times I_L\)
  • Average output current: \(\langle I_o \rangle = (1-D) \times I_L\)

Check:

\[I_o = (1 - D) \times I_L\]
\[6 = 0.25 \times 24 = 6$$ ✓ Power check: $$P_{in} = V_{in} \times D \times I_L = 20 \times 0.75 \times 24 = 360 \text{ W}\]

QQuestion 4 0 Mark

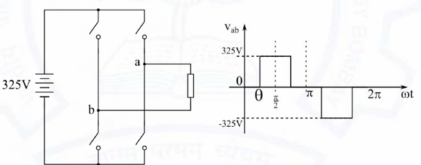
A single-phase full-bridge inverter fed by a 325 V DC produces a symmetric quasi-square waveform across 'ab' as shown. To achieve a modulation index of 0.8, the angle \(\theta\) expressed in degrees should be \_\_\_\_\_\_\_\_. (Round off to 2 decimal places.)

Figure 4.1
Figure 4.1

(Modulation index is defined as the ratio of the peak of the fundamental component of \(v_{ab}\) to the applied DC value.)

SSolution

Given:

  • DC supply voltage: \(V_{dc} = 325\) V
  • Output waveform: Symmetric quasi-square wave
  • Modulation index: \(m_a = 0.8\)
  • Find: Angle \(\theta\) in degrees
  • Definition: \(m_a = \frac{V_1}{V_{dc}}\) where \(V_1\) is peak of fundamental

Solution:

Step 1: Understand the waveform

The quasi-square waveform has:

  • \(v_{ab} = +325\) V for \(\theta < \omega t < \pi - \theta\)
  • \(v_{ab} = 0\) V for \(0 < \omega t < \theta\) and \(\pi - \theta < \omega t < \pi\)
  • \(v_{ab} = -325\) V for \(\pi + \theta < \omega t < 2\pi - \theta\)
  • \(v_{ab} = 0\) V for \(\pi < \omega t < \pi + \theta\) and \(2\pi - \theta < \omega t < 2\pi\)

Step 2: Fourier analysis for fundamental component

For a symmetric quasi-square wave with angle \(\theta\), the fundamental component is:

\[V_1 = \frac{4V_{dc}}{\pi} \cos(\theta)\]

This is the peak value of the fundamental component.

Derivation (Fourier series):

\[v_{ab}(t) = \sum_{n=1,3,5,...}^{\infty} \frac{4V_{dc}}{n\pi}\cos(n\theta)\sin(n\omega t)\]

For \(n = 1\) (fundamental):

\[V_1 = \frac{4V_{dc}}{\pi}\cos(\theta)\]

Step 3: Apply modulation index definition

\[m_a = \frac{V_1}{V_{dc}}\]
\[0.8 = \frac{\frac{4V_{dc}}{\pi}\cos(\theta)}{V_{dc}}\]
\[0.8 = \frac{4}{\pi}\cos(\theta)\]
\[\cos(\theta) = 0.8 \times \frac{\pi}{4} = \frac{0.8\pi}{4}\]
\[\cos(\theta) = \frac{0.8 \times 3.14159}{4} = \frac{2.5133}{4} = 0.6283\]

Step 4: Calculate angle

\[\theta = \cos^{-1}(0.6283)\]
\[\theta = 51.05°\]

Verification:

Check:

\[V_1 = \frac{4 \times 325}{\pi} \times \cos(51.05°)\]
\[V_1 = \frac{1300}{3.14159} \times 0.6283\]
\[V_1 = 413.8 \times 0.6283 = 260.03 \text{ V}\]

Modulation index:

\[m_a = \frac{260.03}{325} = 0.8001 \approx 0.8$$ ✓ Alternative check: $$\cos(\theta) = \frac{m_a \times \pi}{4} = \frac{0.8 \times \pi}{4} = 0.6283\]