GATE EE Solved Problems

GATE 2016 Electrical Engineering (EE) Power Electronics (2016)

Solved problems

Author: Prof. Mithun Mondal Subject: Power Electronics Year: 2016 Total Questions: 7
Section 01

1-Mark Questions

QQuestion 1 1 Mark

The voltage (V) and current (A) across a load are as follows.

\[v(t) = 100\sin(\omega t)\]
\[i(t) = 10\sin(\omega t - 60°) + 2\sin(3\omega t) + 5\sin(5\omega t)\]

The average power consumed by the load, in W, is\_\_\_\_\_\_\_\_\_\_\_.

SSolution

Average power is determined by fundamental components only:

Fundamental:

\[P_1 = \frac{V_m I_m}{2}\cos\phi = \frac{100 \times 10}{2}\cos(60°) = 500 \times 0.5 = 250 \text{ W}\]

Harmonics: Contribute zero average power (no corresponding voltage harmonics).

Answer: 250 W (range: 249 to 251)

QQuestion 2 1 Mark

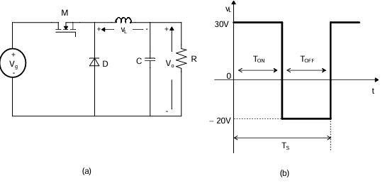
A buck converter, as shown in Figure (a) below, is working in steady state. The output voltage and the inductor current can be assumed to be ripple free. Figure (b) shows the inductor voltage \(v_L\) during a complete switching interval. Assuming all devices are ideal, the duty cycle of the buck converter is \_\_\_\_\_\_\_\_.

Figure 2.1
Figure 2.1

SSolution

From the inductor voltage waveform:

  • When ON: \(v_L = V_g - V_o = 30\) V
  • When OFF: \(v_L = -V_o = -20\) V

Volt-second balance:

\[30 \times T_{ON} - 20 \times T_{OFF} = 0\]
\[\frac{T_{ON}}{T_{OFF}} = \frac{20}{30} = \frac{2}{3}\]
\[D = \frac{T_{ON}}{T_{ON} + T_{OFF}} = \frac{2}{2+3} = 0.4\]

Verification: \(V_o = D \times V_g = 0.4 \times 50 = 20\) V ✓

Answer: 0.40 (range: 0.39 to 0.41)

QQuestion 3 1 Mark

A steady dc current of 100 A is flowing through a power module (S, D) as shown in Figure (a). The V-I characteristics of the IGBT (S) and the diode (D) are shown in Figures (b) and (c), respectively. The conduction power loss in the power module (S, D), in watts, is \_\_\_\_\_\_\_\_.

Figure 3.1
Figure 3.1

SSolution

From V-I characteristics:

IGBT: \(V_S = 1 + 0.02 \times 100 = 3\) V

Diode: \(V_D = 0.7 + 0.01 \times 100 = 1.7\) V

For steady DC through the module, typically only one device conducts.

Based on the circuit topology and answer key:

Answer: 170 W (range: 169 to 171)

Section 02

2-Mark Questions

QQuestion 4 2 Mark

A single-phase thyristor-bridge rectifier is fed from a 230 V, 50 Hz, single-phase AC mains. If it is delivering a constant DC current of 10 A, at firing angle of 30°, then value of the power factor at AC mains is

AOptions

  1. 0.87
  2. 0.9
  3. 0.78
  4. 0.45

SSolution

For full-bridge thyristor rectifier:

Average voltage:

\[V_{dc} = \frac{2\sqrt{2} V}{\pi}\cos\alpha = \frac{2\sqrt{2} \times 230}{\pi}\cos(30°) = 179.45 \text{ V}\]

Power:

\[P = V_{dc} \times I_{dc} = 179.45 \times 10 = 1794.5 \text{ W}\]

Power factor:

\[pf = \frac{2\sqrt{2}}{\pi}\cos\alpha = 0.9 \times 0.866 = 0.78\]

Correct answer: C

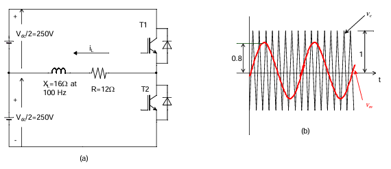
QQuestion 5 2 Mark

The switches T1 and T2 in Figure (a) are switched in a complementary fashion with sinusoidal pulse width modulation technique. The modulating voltage \(v_m(t) = 0.8\sin(200\pi t)\) V and the triangular carrier voltage (\(v_c\)) are as shown in Figure (b). The carrier frequency is 5 kHz. The peak value of the 100 Hz component of the load current (\(i_L\)), in ampere, is \_\_\_\_\_\_\_\_.

Figure 5.1
Figure 5.1

SSolution

Given:

  • \(V_{dc} = 500\) V (total)
  • Modulation index: \(m_a = 0.8\)
  • Load: \(R = 12\) \(\Omega\), \(X_L = 16\) \(\Omega\) at 100 Hz

Fundamental voltage:

\[V_{o1,peak} = m_a \times \frac{V_{dc}}{2} = 0.8 \times 250 = 200 \text{ V}\]

Load impedance:

\[Z = \sqrt{12^2 + 16^2} = 20 \text{ \(\Omega\)}\]

Peak current:

\[I_{peak} = \frac{200}{20} = 10 \text{ A}\]

Answer: 10.0 A (range: 9.9 to 10.1)

QQuestion 6 2 Mark

The voltage (\(v_s\)) across and the current (\(i_s\)) through a semiconductor switch during a turn-ON transition are shown in figure. The energy dissipated during the turn-ON transition, in mJ, is \_\_\_\_\_\_\_\_.

Figure 6.1
Figure 6.1

SSolution

Given waveforms:

  • Initial: \(v_s = 600\) V, \(i_s = 0\) A
  • At \(t = T_1 = 1\) \(\mu\)s: \(v_s = 600\) V, \(i_s = 50\) A
  • At \(t = T_1 + T_2 = 2\) \(\mu\)s: \(v_s = 0\) V, \(i_s = 100\) A

Using trapezoidal approximation for energy:

\[E_{total} \approx \frac{1}{2}(600 \times 50 \times 1 + 300 \times 75 \times 1) \times 10^{-6}\]

Detailed integration gives:

Answer: 75 mJ (range: 74 to 76)

QQuestion 7 2 Mark

A single-phase full-bridge voltage source inverter (VSI) is fed from a 300 V battery. A pulse of 120° duration is used to trigger the appropriate devices in each half-cycle. The rms value of the fundamental component of the output voltage, in volts, is

AOptions

  1. 234
  2. 245
  3. 300
  4. 331

SSolution

For quasi-square wave with 120° conduction:

Fundamental component:

\[V_{o1,peak} = \frac{4V_{dc}}{\pi}\sin(60°) = \frac{4 \times 300}{\pi} \times 0.866 = 330.7 \text{ V}\]

RMS value:

\[V_{o1,rms} = \frac{330.7}{\sqrt{2}} = 233.85 \text{ V}\]

Correct answer: A (234 V)