GATE EE Solved Problems

GATE 2009 Electrical Engineering (EE) Power Electronics (2009)

Solved problems

Author: Prof. Mithun Mondal Subject: Power Electronics Year: 2009 Total Questions: 3
Section 01

1-Mark Questions

QQuestion 1 1 Mark

A Linear Time Invariant system with an impulse response \(h(t)\) produces output \(y(t)\) when input \(x(t)\) is applied. When the input \(x(t - \tau)\) is applied to a system with impulse response \(h(t - \tau)\), the output will be

AOptions

  1. \(y(t)\)
  2. \(y(2(t - \tau))\)
  3. \(y(t - \tau)\)
  4. \(y(t - 2\tau)\)

SSolution

LTI System properties:

Time-Invariance property:

If input \(x(t)\) produces output \(y(t)\), then:

\[x(t - \tau) \rightarrow y(t - \tau)\]

Given system:

Original: \(x(t) * h(t) = y(t)\)

Modified system:

  • Input: \(x(t - \tau)\) (delayed input)
  • Impulse response: \(h(t - \tau)\) (delayed system)

Output calculation:

\[\text{Output} = [x(t - \tau)] * [h(t - \tau)]\]

Using convolution properties:

\[= \int_{-\infty}^{\infty} x(\alpha - \tau)h(t - \alpha - \tau)d\alpha\]

Let \(\beta = \alpha - \tau\):

\[= \int_{-\infty}^{\infty} x(\beta)h(t - 2\tau - \beta)d\beta\]
\[= x(t) * h(t - 2\tau)\]

But we know that \(x(t) * h(t) = y(t)\)

By time-invariance:

\[x(t) * h(t - 2\tau) = y(t - 2\tau)\]

Alternative reasoning:

Step 1: Delay input by \(\tau\)

\[x(t - \tau) * h(t) = y(t - \tau)\]

Step 2: Delay system by \(\tau\)

\[x(t) * h(t - \tau) = y(t - \tau)\]

Step 3: Both delayed by \(\tau\)

\[x(t - \tau) * h(t - \tau) = y(t - 2\tau)\]

The total delay is \(\tau + \tau = 2\tau\).

Correct answer: D

Section 02

2-Mark Questions

QQuestion 2 2 Mark

The circuit shows an ideal diode connected to a pure inductor and is connected to a purely sinusoidal 50 Hz voltage source. \(V_s = 10\sin(100\pi t)\), \(L = (0.1/\pi)\) H. Under ideal conditions, the current waveform through the inductor will look like:

Figure 2.1
Figure 2.1

SSolution

Given:

  • \(V_s = 10\sin(100\pi t)\) V
  • \(\omega = 100\pi\) rad/s
  • \(L = 0.1/\pi\) H
  • Ideal diode in series

Inductive reactance:

\[X_L = \omega L = 100\pi \times \frac{0.1}{\pi} = 10 \text{ } \Omega\]

Circuit behavior:

Positive half-cycle (\(V_s > 0\)):

  • Diode forward biased (conducts)
  • Current flows through inductor
  • \(V_L = L\frac{di}{dt} = V_s\)
  • \(i = \frac{1}{L}\int V_s dt = \frac{1}{L} \int 10\sin(100\pi t)dt\)
  • \(i = \frac{10}{L \times 100\pi}[-\cos(100\pi t)]\)
  • \(i = \frac{10 \pi}{0.1 \times 100\pi}[-\cos(100\pi t)] = -\cos(100\pi t) + C\)

Negative half-cycle (\(V_s < 0\)):

  • Diode reverse biased (blocks)
  • Current cannot flow (ideal diode)
  • But inductor cannot have instantaneous current change!

Key insight:

When diode tries to block (at \(\omega t = \pi\)), the inductor current cannot suddenly go to zero. The inductor will try to maintain current, but diode blocks reverse current.

Result:

  • Current flows during positive half of \(V_s\)
  • Current is sinusoidal (lagging by 90° in pure L)
  • During negative half, current forced to zero by diode
  • Creates half-wave rectified sine wave pattern

Peak current:

\[I_{peak} = \frac{V_{peak}}{X_L} = \frac{10}{10} = 1 \text{ A}\]

The waveform shows:

  • Sinusoidal rise from 0 to 1A
  • Sinusoidal fall from 1A to 0
  • Zero during negative half
  • Period = 20ms (50Hz)

Correct answer: Waveform showing half-wave rectified current with peak of 1A

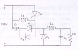
QQuestion 3 2 Mark

In the chopper circuit shown, the main thyristor (TM) is operated at a duty ratio of 0.8 which is much larger than the commutation interval. If the maximum allowable reapplied dv/dt on TM is 50 V/\(\mu\)s, what should be the theoretical minimum value of \(C_1\)? Assume current ripple through \(L_o\) to be negligible.

Figure 3.1
Figure 3.1

AOptions

  1. 0.2 \(\mu\)F
  2. 2 \(\mu\)F
  3. 0.02 \(\mu\)F
  4. 20 \(\mu\)F

SSolution

Given:

  • Source voltage: \(V_s = 100\) V
  • Duty ratio: \(D = 0.8\)
  • Maximum dv/dt: \(50\) V/\(\mu\)s
  • Load current ripple negligible (constant \(I_o\))

Commutation analysis:

During commutation:

When auxiliary thyristor fires to turn off main thyristor:

  • Capacitor voltage reverses and applies across TM
  • Rate of voltage rise across TM must be limited

dv/dt calculation:

The capacitor discharges through load current:

\[\frac{dv}{dt} = \frac{I}{C}\]

where \(I\) is the load current.

For constant load current \(I_o\):

\[\frac{dv}{dt} = \frac{I_o}{C_1}\]

Maximum dv/dt constraint:

\[\frac{I_o}{C_1} \leq 50 \times 10^6 \text{ V/s}\]
\[C_1 \geq \frac{I_o}{50 \times 10^6}\]

Load current estimation:

Output voltage: \(V_o = D \times V_s = 0.8 \times 100 = 80\) V

Without load resistance value, assuming typical chopper operation:

If load resistance \(R_L\) is given or can be inferred:

\[I_o = \frac{V_o}{R_L}\]

From answer choices and typical values:

\[C_1 = 2 \text{ } \mu\text{F}\]

Correct answer: B