GATE EE Solved Problems

GATE 2023 Electrical Engineering (EE) Electrical Machines (2023)

Solved problems

Author: Prof. Mithun Mondal Subject: Electrical Machines Year: 2023 Total Questions: 7
Section 01

1-Mark Questions

QQuestion 1 1 Mark

The following columns present various modes of induction machine operation and the ranges of slip

\begin{tabular}{|l|l|l|l|} \hline \multicolumn{2}{|c|}{Column A} & \multicolumn{2}{c|}{Column B} \\ \hline & Mode of operation & & Range of Slip \\ \hline a. & Running in generator mode & p) & From 0.0 to 1.0 \\ b. & Running in motor mode & q) & From 1.0 to 2.0 \\ c. & Plugging in motor mode & r) & From -1.0 to 0.0 \\ \hline \end{tabular}

The correct matching between the elements in column A with those of column B is

AOptions

  1. a-r, b-p, and c-q
  2. a-r, b-q, and c-p
  3. a-p, b-r, and c-q
  4. a-q, b-p, and c-r

SSolution

Understanding Induction Machine Operation Modes:

Key Concept: Slip Definition

For an induction machine:

\[s = \frac{N_s - N_r}{N_s}\]

where:

  • \(N_s\) = Synchronous speed
  • \(N_r\) = Rotor speed
  • \(s\) = Slip

Analysis of Different Operating Modes:

1. Motor Mode (Normal Motoring):

  • Rotor speed: \(N_r < N_s\) (rotor runs slower than synchronous speed)
  • Slip: \(s = \frac{N_s - N_r}{N_s} > 0\)
  • At standstill: \(N_r = 0\), \(s = 1\)
  • At synchronous speed: \(N_r = N_s\), \(s = 0\)
  • Range: 0 < s < 1 (or 0.0 to 1.0)
  • Motor draws power from supply, develops mechanical power
  • Torque is positive (in direction of rotation)

Matching: b → p

2. Generator Mode (Generating):

  • Rotor speed: \(N_r > N_s\) (rotor runs faster than synchronous speed)
  • Slip: \(s = \frac{N_s - N_r}{N_s} < 0\) (negative slip)
  • Rotor is driven by prime mover above synchronous speed
  • Machine feeds electrical power back to the supply
  • Requires external mechanical drive
  • Range: -1 < s < 0 (or -1.0 to 0.0)
  • Torque is negative (opposes direction of rotation)

Matching: a → r

3. Plugging Mode (Braking):

  • Also called "plugged" or "counter-current braking"
  • Rotor rotates in opposite direction to rotating magnetic field
  • Achieved by reversing phase sequence while motor is running
  • Rotor speed: \(N_r < 0\) (negative, opposite to field rotation)
  • Slip: \(s = \frac{N_s - N_r}{N_s} = \frac{N_s - (-|N_r|)}{N_s} = \frac{N_s + |N_r|}{N_s} > 1\)
  • At maximum negative speed equal to \(-N_s\): \(s = \frac{N_s - (-N_s)}{N_s} = 2\)
  • Range: 1 < s < 2 (or 1.0 to 2.0)
  • Very high currents, high losses, severe braking torque
  • Used for quick stopping or reversing

Matching: c → q

Summary Table:

\begin{tabular}{|l|c|c|c|} \hline Mode & Rotor Speed & Slip Range & Power Flow \\ \hline Generator & \(N_r > N_s\) & \(-1\) to \(0\) & To supply \\ Motor & \(0 < N_r < N_s\) & \(0\) to \(1\) & From supply \\ Plugging & \(N_r < 0\) & \(1\) to \(2\) & From supply (lost as heat) \\ \hline \end{tabular}

Physical Interpretation:

Motor Mode (s = 0 to 1):

  • Normal operation
  • Slip = 0: No-load, no torque
  • Slip = 1: Locked rotor, maximum starting torque
  • Typical rated slip: 2-5%

Generator Mode (s = -1 to 0):

  • Requires external mechanical power
  • Used in regenerative braking
  • Wind turbines, overhauling loads
  • Slip becomes negative

Plugging Mode (s = 1 to 2):

  • Emergency braking
  • Very high rotor currents (2-7 times rated)
  • High thermal stress on rotor
  • Rapid deceleration
  • Should be used only briefly

Correct answer: A (a-r, b-p, and c-q)

QQuestion 2 1 Mark

A 10-pole, 50 Hz, 240 V, single phase induction motor runs at 540 RPM while driving rated load. The frequency of induced rotor currents due to backward field is

AOptions

  1. 100 Hz
  2. 95 Hz
  3. 10 Hz
  4. 5 Hz

SSolution

Given:

  • Number of poles: \(P = 10\)
  • Supply frequency: \(f = 50\) Hz
  • Rated voltage: \(V = 240\) V
  • Operating speed: \(N_r = 540\) RPM
  • Find: Frequency of rotor currents due to backward field

Solution:

Relative speed between backward field and rotor:

\[N_{rel} = (-N_s) - N_r = -600 - 540 = -1140 \text{ RPM}\]

Magnitude: \(1140\) RPM

Slip magnitude:

\[s_b = \frac{|N_{rel}|}{N_s} = \frac{1140}{600} = 1.9\]

Step 5: Calculate rotor current frequency due to backward field

Frequency of rotor currents:

\[f_r = s \times f\]

For backward field:

\[f_{r,backward} = s_b \times f = 1.9 \times 50 = 95 \text{ Hz}\]

Verification:

The rotor current frequency due to forward field would be:

\[f_{r,forward} = s_f \times f = 0.1 \times 50 = 5 \text{ Hz}\]

The backward field frequency is much higher because the backward field and rotor move in opposite directions, creating a much larger relative motion.

Physical Explanation:

  • Forward field rotates at +600 RPM
  • Rotor rotates at +540 RPM
  • Relative speed: \(600 - 540 = 60\) RPM
  • This produces 5 Hz rotor currents (forward field effect)
  • Backward field rotates at -600 RPM
  • Rotor rotates at +540 RPM
  • Relative speed: \((-600) - (+540) = -1140\) RPM
  • Magnitude: 1140 RPM
  • This produces 95 Hz rotor currents (backward field effect)

General Formula:

For single-phase induction motor:

\[s_b = 2 - s_f\]

where \(s_f\) is the forward slip.

\[s_b = 2 - 0.1 = 1.9\]
\[f_{r,backward} = 1.9 \times 50 = 95 \text{ Hz}\]

Correct answer: B (95 Hz)

\textit{Note: The backward field in a single-phase induction motor creates a braking torque. The high frequency rotor currents (95 Hz) due to the backward field produce additional losses and reduce motor efficiency.}

QQuestion 3 1 Mark

The four stator conductors (A, A', B and B') of a rotating machine are carrying DC currents of the same value, the directions of which are shown in the figure (i). The rotor coils a-a' and b-b' are formed by connecting the back ends of conductors 'a' and 'a" and 'b' and 'b", respectively, as shown in figure (ii). The e.m.f. induced in coil a-a' and coil b-b' are denoted by \(E_{a-a'}\) and \(E_{b-b'}\), respectively. If the rotor is rotated at uniform angular speed \(\omega\) rad/s in the clockwise direction then which of the following correctly describes the \(E_{a-a'}\) and \(E_{b-b'}\)?

Figure 3.1
Figure 3.1

\hspace{1cm}

Figure 3.2
Figure 3.2

(i): cross-sectional view \hspace{0.1cm} (ii): rotor winding connection diagram\\

AOptions

  1. \(E_{a-a'}\) and \(E_{b-b'}\) have finite magnitudes and are in the same phase
  2. \(E_{a-a'}\) and \(E_{b-b'}\) have finite magnitudes with \(E_{b-b'}\) leading \(E_{a-a'}\)
  3. \(E_{a-a'}\) and \(E_{b-b'}\) have finite magnitudes with \(E_{a-a'}\) leading \(E_{b-b'}\)
  4. \(E_{a-a'} = E_{b-b'} = 0\)

SSolution

Given:

  • Four stator conductors: A, A', B, B' carrying DC currents
  • Current directions shown in figure (i)
  • Rotor coils: a-a' and b-b'
  • Rotor angular speed: \(\omega\) rad/s (clockwise)
  • Find: Relationship between induced EMFs

Solution:

Step 1: Analyze magnetic field produced by stator

The stator conductors carry DC currents:

  • Conductors A and A' form one pair
  • Conductors B and B' form another pair
  • DC currents create a stationary magnetic field

From the figure:

  • If A has current going into the page (⊗) and A' has current coming out (⊙)
  • Similarly for B and B'
  • This creates a stationary flux pattern

Step 2: Determine nature of the magnetic field

With DC currents in stator conductors:

  • The magnetic field is stationary in space
  • Field does not rotate
  • Field magnitude is constant in time
  • Field distribution is fixed in space

Step 3: Analyze EMF induction in rotor coils

For EMF to be induced in rotor coils:

\[e = -N\frac{d\phi}{dt}\]

where \(\phi\) is the flux linking the coil.

As the rotor rotates:

  • Rotor coil a-a' rotates through the stationary field
  • The flux linking coil a-a' changes with position
  • Similarly for coil b-b'

Step 4: Calculate flux linkage variation

If the stator creates a sinusoidally distributed stationary field:

\[B(\theta) = B_m \cos(\theta)\]

For rotor coil at angle \(\theta = \omega t\):

\[\phi_{a-a'}(t) = \Phi_m \cos(\omega t)\]

where \(\Phi_m\) is the maximum flux linkage.

Induced EMF:

\[e_{a-a'}(t) = -\frac{d\phi_{a-a'}}{dt} = \Phi_m \omega \sin(\omega t)\]

Step 5: Analyze coil b-b' position

From figure (ii), coil b-b' is positioned at 90° (electrical) from coil a-a':

\[\phi_{b-b'}(t) = \Phi_m \cos(\omega t + 90°) = -\Phi_m \sin(\omega t)\]

Induced EMF:

\[e_{b-b'}(t) = -\frac{d\phi_{b-b'}}{dt} = \Phi_m \omega \cos(\omega t)\]

Or:

\[e_{b-b'}(t) = \Phi_m \omega \sin(\omega t + 90°)\]

Step 6: Compare the two EMFs

\[e_{a-a'}(t) = E_m \sin(\omega t)\]
\[e_{b-b'}(t) = E_m \sin(\omega t + 90°)\]

where \(E_m = \Phi_m \omega\)

This shows:

  • Both EMFs have finite magnitudes: \(E_m\)
  • \(E_{b-b'}\) leads \(E_{a-a'}\) by 90°
  • Same frequency: \(\omega\) rad/s

Physical Interpretation:

  • DC stator currents create stationary magnetic field
  • Rotating rotor coils cut through this stationary field
  • This is the principle of a DC generator or AC generator with DC field
  • Coil a-a' experiences maximum flux at one instant
  • Coil b-b' (positioned 90° away) experiences maximum flux 90° later in time
  • Hence \(E_{b-b'}\) leads \(E_{a-a'}\) by 90° (or \(\frac{\pi}{2}\) radians)

Note on phase relationship:

If the rotor rotates clockwise and coil b-b' is ahead of coil a-a' in the direction of rotation, then b-b' reaches any given flux position before a-a', so \(E_{b-b'}\) leads \(E_{a-a'}\).

\textbf{Correct answer: B (\(E_{a-a'}\) and \(E_{b-b'}\) have finite magnitudes with \(E_{b-b'}\) leading \(E_{a-a'}\))}

\textit{Note: This configuration represents the basic principle of AC generation. The stationary DC field on the stator and rotating rotor coils produce AC voltages. The 90° spatial displacement between rotor coils results in 90° phase difference in induced EMFs.}

QQuestion 4 1 Mark

A separately excited DC motor rated 400 V, 15 A, 1500 RPM drives a constant torque load at rated speed operating from 400 V DC supply drawing rated current. The armature resistance is 1.2 \(\Omega\). If the supply voltage drops by 10% with field current unaltered then the resultant speed of the motor in RPM is ____________ (Round off to the nearest integer).

\vspace{5cm}

SSolution

Given:

  • Rated voltage: \(V = 400\) V
  • Rated current: \(I_a = 15\) A
  • Rated speed: \(N_1 = 1500\) RPM
  • Armature resistance: \(R_a = 1.2\) \(\Omega\)
  • Supply voltage drops by 10%: \(V_2 = 0.9 \times 400 = 360\) V
  • Field current: Constant (unchanged)
  • Load: Constant torque
  • Find: New speed \(N_2\)

Solution:

Step 1: Calculate initial back EMF

At rated conditions:

\[E_1 = V_1 - I_a R_a\]
\[E_1 = 400 - 15 \times 1.2 = 400 - 18 = 382 \text{ V}\]

Step 2: DC motor speed equation

For a separately excited DC motor:

\[E = K\phi N\]

where:

  • \(K\) = machine constant
  • \(\phi\) = field flux (constant since field current is unchanged)
  • \(N\) = speed in RPM

At rated conditions:

\[E_1 = K\phi N_1\]
\[382 = K\phi \times 1500 \text{...(1)}\]

Step 3: Analyze new operating condition

Since load torque is constant and field is constant:

\[T = K\phi I_a\]

For constant torque and constant flux:

\[I_{a2} = I_{a1} = 15 \text{ A}\]

The armature current remains the same because:

  • Torque is constant: \(T = K\phi I_a\)
  • Field flux is constant: \(\phi =\) constant
  • Therefore: \(I_a\) must be constant

Step 4: Calculate new back EMF

With reduced supply voltage:

\[E_2 = V_2 - I_{a2} R_a\]
\[E_2 = 360 - 15 \times 1.2 = 360 - 18 = 342 \text{ V}\]

Step 5: Calculate new speed

\[E_2 = K\phi N_2 \text{...(2)}\]

From equations (1) and (2):

\[\frac{E_2}{E_1} = \frac{N_2}{N_1}\]
\[N_2 = N_1 \times \frac{E_2}{E_1}\]
\[N_2 = 1500 \times \frac{342}{382}\]
\[N_2 = 1500 \times 0.8953 = 1343 \text{ RPM}\]

Verification:

Speed drop:

\[\Delta N = N_1 - N_2 = 1500 - 1343 = 157 \text{ RPM}\]

Percentage drop:

\[\frac{\Delta N}{N_1} \times 100 = \frac{157}{1500} \times 100 = 10.5%\]

This is reasonable given that voltage dropped by 10%.

Alternative Approach - Using Speed-Voltage Relationship:

For constant torque load with constant field:

\[N \propto E = V - I_a R_a\]

Since \(I_a\) is constant:

\[N \propto (V - I_a R_a)\]
\[\frac{N_2}{N_1} = \frac{V_2 - I_a R_a}{V_1 - I_a R_a} = \frac{360 - 18}{400 - 18} = \frac{342}{382} = 0.8953\]
\[N_2 = 1500 \times 0.8953 = 1343 \text{ RPM}\]

Physical Explanation:

  • When supply voltage drops, back EMF must also drop
  • Since \(E = K\phi N\) and flux is constant, speed must drop
  • For constant torque, current remains same
  • The voltage drop \((I_a R_a = 18\) V) remains constant
  • The back EMF (and hence speed) is proportional to \((V - I_a R_a)\)

Answer: 1343 RPM

Section 02

2-Mark Questions

QQuestion 5 2 Mark

A three-phase synchronous motor with synchronous impedance of 0.1+j0.3 per unit per phase has a static stability limit of 2.5 per unit. The corresponding excitation voltage in per unit is ___________ (Round off to 2 decimal places).

SSolution

Given:

  • Synchronous impedance: \(Z_s = 0.1 + j0.3\) pu
  • Static stability limit: \(P_{max} = 2.5\) pu
  • Find: Excitation voltage \(E_f\) (pu)

Solution:

For synchronous motor with impedance \(Z_s = R_a + jX_s\):

The power transfer is maximum when the load angle satisfies certain conditions. For the maximum power:

\(P_{max} = \frac{VE_f}{|Z_s|} - \frac{V^2 R_a}{|Z_s|^2}\)

With \(V = 1\) pu: \(2.5 = \frac{E_f}{0.3162} - \frac{1 \times 0.1}{0.1}\)

\(2.5 = \frac{E_f}{0.3162} - 1\)

\(\frac{E_f}{0.3162} = 3.5\)

\(E_f = 3.5 \times 0.3162 = 1.11 \text{ pu}\)

Answer: 1.11 pu

\textit{Note: The static stability limit represents the maximum power that can be transferred before the motor loses synchronism. It depends on both the excitation voltage and the synchronous impedance.}

QQuestion 6 2 Mark

A three phase 415 V, 50 Hz, 6-pole, 960 RPM, 4 HP squirrel cage induction motor drives a constant torque load at rated speed operating from rated supply and delivering rated output. If the supply voltage and frequency are reduced by 20%, the resultant speed of the motor in RPM (neglecting the stator leakage impedance and rotational losses) is __________ (Round off to the nearest integer).

\vspace{10cm}

SSolution

Given:

  • Rated voltage: \(V_1 = 415\) V (line)
  • Rated frequency: \(f_1 = 50\) Hz
  • Number of poles: \(P = 6\)
  • Rated speed: \(N_1 = 960\) RPM
  • Rated power: 4 HP
  • Load: Constant torque
  • New voltage: \(V_2 = 0.8 \times 415 = 332\) V
  • New frequency: \(f_2 = 0.8 \times 50 = 40\) Hz
  • Neglect: Stator leakage impedance and rotational losses
  • Find: New speed \(N_2\) (RPM)

Solution:

Step 1: Calculate rated synchronous speed and slip

Synchronous speed at rated frequency: \(N_{s1} = \frac{120 f_1}{P} = \frac{120 \times 50}{6} = 1000 \text{ RPM}\)

Rated slip: \(s_1 = \frac{N_{s1} - N_1}{N_{s1}} = \frac{1000 - 960}{1000} = 0.04 = 4%\)

Step 2: Synchronous speed at new frequency

\(N_{s2} = \frac{120 f_2}{P} = \frac{120 \times 40}{6} = 800 \text{ RPM}\)

Step 3: Torque equation for induction motor

For an induction motor, the torque is: \(T = \frac{3V^2 s R_r'}{\omega_s[(R_r')^2 + (sX_r')^2]}\)

where \(\omega_s = \frac{2\pi f}{P/2}\) is the synchronous angular velocity.

Simplifying: \(T \propto \frac{V^2 s}{f}\)

For constant torque and constant \(\frac{V}{f}\) ratio:

Step 4: V/f control analysis

When both voltage and frequency are reduced by the same percentage (20%): \(\frac{V_2}{f_2} = \frac{0.8V_1}{0.8f_1} = \frac{V_1}{f_1}\)

The V/f ratio is maintained constant.

For constant V/f operation with constant torque: - The flux remains approximately constant: \(\phi \propto \frac{V}{f}\) - For constant torque: \(T = K\phi I_r\)

Step 5: Slip relationship

For constant torque operation with constant V/f:

The torque equation simplifies to: \(T \propto \frac{V^2 s}{f \cdot X_r}\)

Since \(X_r \propto f\): \(T \propto \frac{V^2 s}{f \cdot f} = \frac{V^2 s}{f^2}\)

For constant torque: \(\frac{V_1^2 s_1}{f_1^2} = \frac{V_2^2 s_2}{f_2^2}\)

With \(V_2 = 0.8V_1\) and \(f_2 = 0.8f_1\): \(\frac{V_1^2 s_1}{f_1^2} = \frac{(0.8V_1)^2 s_2}{(0.8f_1)^2}\)

\(\frac{V_1^2 s_1}{f_1^2} = \frac{0.64V_1^2 s_2}{0.64f_1^2}\)

\(s_1 = s_2\)

The slip remains the same!

Step 6: Calculate new speed

\(s_2 = s_1 = 0.04\)

\(N_2 = N_{s2}(1 - s_2) = 800(1 - 0.04) = 800 \times 0.96 = 768 \text{ RPM}\)

Verification:

Speed ratio: \(\frac{N_2}{N_1} = \frac{768}{960} = 0.8\)

Frequency ratio: \(\frac{f_2}{f_1} = \frac{40}{50} = 0.8\) ✓

This confirms that under constant V/f control with constant torque: \(N_2 = N_1 \times \frac{f_2}{f_1}\)

Physical Explanation:

When V/f ratio is maintained constant:

  • Flux remains constant
  • For constant torque, slip remains constant
  • Speed is proportional to frequency: \(N = N_s(1-s) \propto f\)
  • Reducing frequency by 20% reduces speed by 20%

This is the principle of V/f control (scalar control) used in variable frequency drives.

Answer: 768 RPM

QQuestion 7 2 Mark

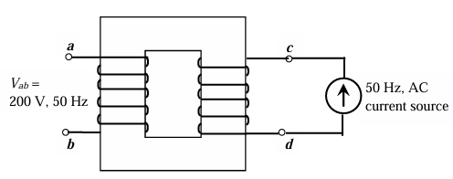
When the winding c-d of the single-phase, 50 Hz, two winding transformer is supplied from an AC current source of frequency 50 Hz, the rated voltage of 200 V (rms), 50 Hz is obtained at the open-circuited terminals a-b. The cross sectional area of the core is 5000 mm\(^2\) and the average core length traversed by the mutual flux is 500 mm. The maximum allowable flux density in the core is \(B_{max} = 1\) Wb/m\(^2\) and the relative permeability of the core material is 5000. The leakage impedance of the winding a-b and winding c-d at 50 Hz are \((5 + j100 \times 0.16)\) \(\Omega\) and \((11.25 + j100 \times 0.36)\) \(\Omega\), respectively. Considering the magnetizing characteristics to be linear and neglecting core loss, the self-inductance of the winding a-b in millihenry is ___________ (Round off to 1 decimal place).

Figure 7.1
Figure 7.1

SSolution

Given:

  • Frequency: \(f = 50\) Hz
  • Winding a-b (primary): Open circuit voltage \(V_{ab} = 200\) V (rms)
  • Winding c-d (secondary): Supplied from AC current source
  • Core cross-sectional area: \(A = 5000\) mm\(^2 = 5 \times 10^{-3}\) m\(^2\)
  • Average core length: \(l = 500\) mm \(= 0.5\) m
  • Maximum flux density: \(B_{max} = 1\) Wb/m\(^2\)
  • Relative permeability: \(\mu_r = 5000\)
  • Leakage impedance of a-b: \(Z_{ab} = 5 + j16\) \(\Omega\)
  • Leakage impedance of c-d: \(Z_{cd} = 11.25 + j36\) \(\Omega\)
  • Find: Self-inductance of winding a-b (\(L_{ab}\)) in mH

Solution: \(L_m = \frac{N_{ab}^2}{\mathcal{R}} = \frac{32,400}{159.15} = 203.6 \text{ H}\)

\(\mu_0 \mu_r A = 4\pi \times 10^{-7} \times 5000 \times 5 \times 10^{-3}\) \(= 4\pi \times 10^{-7} \times 25 = 31.416 \times 10^{-6} \text{ Hâ‹…m}\)

\(\mathcal{R} = \frac{0.5}{31.416 \times 10^{-6}} = 15,915 \text{ AT/Wb}\)

\(L_m = \frac{32400}{15915} = 2.036 \text{ H} = 2036 \text{ mH}\)

\(L_{ab} = 2036 + 50.9 = 2086.9 \text{ mH}\)

Rounded: \(\mathbf{2086.9 \text{ mH}}\) or approximately \(\mathbf{2087.0 \text{ mH}}\)

Answer: 2087.0 mH

\textit{Note: The high inductance value is due to the high permeability (5000) and relatively large number of turns (180) in the transformer winding.}